자격증 필기 기출문제



전자기능사 필기 기출문제(해설) 및 CBT 2006년07월16일(4회)(6826)

최강 자격증 기출문제 전자문제집 CBT : www.comcbt.com


전자문제집 CBT란?

종이 문제집이 아닌 인터넷으로 문제를 풀고 자동으로 채점하며 모의고사, 오답 노트, 해설까지 제공하는
무료 기출문제 학습 프로그램으로 실제 상설검정에서 사용하는 OMR 형식의 CBT를 제공합니다.


최신 전자기능사 필기 기출문제 : [다운로드]

1과목 : 전기전자공학


1. 임피던스 정합이 필요한 주된 이유는?
     1. 전압이득을 적게 하기 위하여
     2. 고주파 특성을 개선하기 위하여
     3. S/N을 개선시키기 위하여
     4. 회로의 손실을 적게 하기 위하여

     정답 : []
     정답률 : 43%

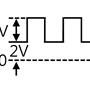
2. 슈미트 트리거 회로의 출력 파형은?
     1. 톱니파
     2. 방형파
     3. 정현파
     4. 삼각파

     정답 : []
     정답률 : 33%
     <문제 해설>
"방형파 = 구형파" 입니다.

3. 10cm 떨어진 동일한 두 점전하 사이에 작용하는 힘이 5N 이었다. 이 전하량을 변하지 않게 하고 거리를 5cm 로 하면 작용하는 힘은 몇 N 인가?
     1. 2.5
     2. 5
     3. 10
     4. 20

     정답 : []
     정답률 : 30%

4. 실효전압 E[V]를 다이오드로 반파정류하였을 때 다이오드의 역내전압은 몇 V 인가?
     1. √2•E
     2. 2•E
     3. E/√2
     4. E/2

     정답 : []
     정답률 : 53%

5. 회로에서 베이스 전류 IB 는 몇 μA 인가? (단, VCC = 6V, VBE = 0.6V, RC = 2kΩ, RB = 100kΩ 이다.)

   

     1. 27
     2. 36
     3. 54
     4. 60

     정답 : []
     정답률 : 44%

6. 저항 20Ω 과 60Ω 의 병렬회로에서 60Ω 의 저항에 3A 의 전류가 흐른다면 전전류는 몇 A 인가?
     1. 0.75
     2. 2.25
     3. 12
     4. 15

     정답 : []
     정답률 : 58%
     <문제 해설>
회로의 저항과 전압을 구하면 됩니다.
V = IR = 3*60 = 180V
R(병렬) = R1*R2/R1+R2 = 20*60/20+60 = 15R
I = V/R = 180/15 = 12A 입니다.
[해설작성자 : 공주마고생]

7. 다음 설명 중 틀린 것은?
     1. 도체에 빛을 비추면 그 표면에서 전자를 방출하게 되는데 이 현상을 광전효과라 한다.
     2. 전자와 기체분자를 저속으로 충돌시키면 (-)이온화되므로 X 선을 방출시킬 수 있다.
     3. 전자파는 전자와 자장으로 이루어지는 파동으로 전자나 이온과 같은 하전입자가 진동하여 발생한다.
     4. 전자가 가지는 에너지의 크기로는 전자볼트(eV)라는 단위를 쓴다.

     정답 : []
     정답률 : 49%

8. 플립플롭(flip-flop)회로에 해당되는 것은?
     1. 비안정 멀티바이브레이터
     2. 단안정 멀티바이브레이터
     3. 쌍안정 멀티바이브레이터
     4. 블록킹 발진기

     정답 : []
     정답률 : 86%

9. 그림은 UJT를 사용한 펄스발생회로의 한 예이다. UJT에 전류가 흘러서 펄스를 발생할 때 콘덴서 CT의 동작은 어떤 상태인가?

   

     1. 충전상태
     2. 방전상태
     3. 단락상태
     4. 접지상태

     정답 : []
     정답률 : 37%

10. 수정발진기의 가장 큰 특징은?
     1. 전압발진에 주로 사용된다.
     2. 수정편을 기계적 진동의 모체로 하는 것이다.
     3. 출력이 크다.
     4. 주파수의 안정도가 크다.

     정답 : []
     정답률 : 72%

11. 증폭기로서 잡음지수가 어떤 값을 가질 때 가장 이상적인가?
     1. 0
     2. 1
     3. 100
     4.

     정답 : []
     정답률 : 76%
     <문제 해설>
이상적인 잡음지수=1
[해설작성자 : .]

12. 전덧셈기(full adder)에 대한 설명으로 옳은 것은?
     1. 입력 2개, 출력 4개로 구성된다.
     2. 입력 2개, 출력 3개로 구성된다.
     3. 입력 3개, 출력 2개로 구성된다.
     4. 입력 3개, 출력 3개로 구성된다.

     정답 : []
     정답률 : 45%

13. 공기 중에서 m[Wb]의 자극으로부터 나오는 자력선의 수는?
     1.
     2.
     3.
     4.

     정답 : []
     정답률 : 49%

14. 가정용 전등선의 전압이 실효값으로 100V 라고 할 때 이 교류의 최대값은 약 몇 V 인가?
     1. 110
     2. 121
     3. 130
     4. 141

     정답 : []
     정답률 : 67%
     <문제 해설>
√2 × 100 = 141.421

15. 비검파회로에 삽입된 대용량 콘덴서 Co 의 목적은?

    

     1. 결합작용
     2. 직류차단작용
     3. 진폭제한작용
     4. 측로(by pass)작용

     정답 : []
     정답률 : 63%

2과목 : 전자계산기일반


16. 그림과 같은 콘덴서 여파기에 대한 설명 중 틀린 것은? (단, XC < RL 이고, XC 는 콘덴서의 리액턴스이다.)

    

     1. 콘덴서 여파기에 처음 파형을 인가하는 경우 처음 반주기 동안은 RL 이 매우 크므로 여파기를 통해 전류가 흐른다.
     2. 콘덴서 C 는 입력파의 피크 투 피크값(Vp-p)까지 충전되며, 이에 의한 출력파형은 나타나지 않는다.
     3. 처음이 아닌 다음의 반주기 동안에는 콘덴서 C 는 부하저항 RL을 통하여 축적된 에너지를 방전한다.
     4. 특별한 부하전류가 있을 때 콘덴서 C 값은 방전전 압의 비로서 결정되며 여파기의 콘덴서는 다음 파형이 인가될 때 까지 방전한다.

     정답 : []
     정답률 : 49%

17. 컴퓨터가 직접 인식하여 실행할 수 있는 언어로 “0”과 “1”만을 사용하여 명령어와 데이터를 나타내는 언어는?
     1. 기계어
     2. 어셈블리 언어
     3. 컴파일 언어
     4. 인터프리터 언어

     정답 : []
     정답률 : 86%
     <문제 해설>
1. 기계어 : 컴퓨터가 집적 이해할 수 있는 유일한 언어. 0과 1, 2진수로 나타냄
2. 어셈블리어 : 기계어의 단점 보완. 기계어를 기호화한 언어.
3. 컴파일 언어 : 컴파일러 언어를 기계어로 번역해주는 언어 번역자.
4. 인터프리터 : 원시 프로그램의 언어를 하나씩 번역해가면서 실행하는 언어 번역자.
[해설작성자 : 거북씨 (ㅂ.ㅈ.ㅎ)]

18. 마이크로프로세서의 버스(BUS)는 크게 세 가지로 구분할 수 있다. 보기에서 옳은 것만 나열한 것은?

    

     1. A, B, C
     2. A, C, D
     3. A, C, E
     4. B, D, E

     정답 : []
     정답률 : 75%

19. 다음은 전자계산기의 기능도를 나타낸 것이다. [A]에 들어갈 내용으로 올바른 것은?

    

     1. 조회
     2. 제어
     3. 검색
     4. 정보

     정답 : []
     정답률 : 76%
     <문제 해설>
중앙처리장치는 제어와 연산을 할 수 있음
그러므로 답은 2번
[해설작성자 : 수도공고생 B]

20. 데이터를 스택에 일시 저장하거나 스택으로부터 데이터를 불러내는 명령은?
     1. store 명령
     2. load 명령
     3. push/pop 명령
     4. 입출력 명령

     정답 : []
     정답률 : 70%

21. 메모리 내용을 보존하기 위해 일정 기간마다 재충전이 필요한 기억소자는?
     1. 스태틱 RAM
     2. 다이나믹 RAM
     3. 마스크 ROM
     4. EPROM

     정답 : []
     정답률 : 62%

22. 산술과 논리 동작의 결과가 축적되는 레지스터는?
     1. 누산기
     2. 인덱스 레지스터
     3. 상태 레지스터
     4. 범용 레지스터

     정답 : []
     정답률 : 69%

23. 다음 보기 Diagram에서 A와 B의 값이 입력될 때 최종 결과 X는? (단, A=0101, B=1011)

    

     1. 1010
     2. 1110
     3. 1101
     4. 0101

     정답 : []
     정답률 : 73%
     <문제 해설>
이거 불일치 회로여서 2번임 0101 1011은 불일치 부분이 1110이니까
[해설작성자 : qkqkqkq]

24. 다음 중 연산 장치의 속도가 가장 빠른 마이크로 프로세서는?
     1. 2비트 마이크로프로세서
     2. 4비트 마이크로프로세서
     3. 8비트 마이크로프로세서
     4. 16비트 마이크로프로세서

     정답 : []
     정답률 : 76%

25. 베이직 언어로 작성된 프로그램을 기계어로 번역 하는 것은?
     1. assembler
     2. compiler
     3. interpreter
     4. translator

     정답 : []
     정답률 : 38%
     <문제 해설>
1. 어셈블리어는 상징적 기호로 만들어진 언어를 기계어로 바꾸어 주는 번역 프로그램이다.
2. 컴파일러는 고급 언어 (객체 지향언어) 를 기계어로 바꿔주는 번역 프로그램이다.
3. 인터프리터는 베이직 언어를 기계어로 하나씩 바꾸어 실행하는 번역 프로그램이다.
4. 트랜슬레이터는 어떤 언어를 다른 언어로 바꾸어 주는 번역 프로그램이다.
[해설작성자 : ㅂ.ㅈ.ㅎ]

26. 카드리더(card reader)에서 롤러의 회전에 의해 왼쪽으로 움직이고, 읽는 부분을 지나서 마지막에 쌓이게 되는 장소를 무엇이라 하는가?
     1. 호퍼(hopper)
     2. 스테커(stacker)
     3. 캡스턴(capstan)
     4. 코딩(coding)

     정답 : []
     정답률 : 52%

27. 다음 그림의 연산 결과를 올바르게 나타낸 것은?

    

     1. 1000
     2. 1010
     3. 1110
     4. 1001

     정답 : []
     정답률 : 78%

28. 종이에 그려져 있는 그림, 차트, 도형 등을 좌표가 그려져 있는 판 위에 대고 각각의 위치 정보를 컴퓨터 내부로 입력하는 장치는?
     1. 바 코드 판독기(Bar Code Reader)
     2. 조이 스틱(Joy Stick)
     3. 디지타이저(Digitizer)
     4. 터치 스크린(Touch Screen)

     정답 : []
     정답률 : 64%

29. 소인 발진기의 구성에 해당하지 않는 것은?
     1. 고주파 발진기
     2. 진폭 제한기
     3. 출력 감쇠기
     4. 음차 발진기

     정답 : []
     정답률 : 47%
     <문제 해설>
Sweep Generator의 구성 : 고주파 발진기 , 진폭 제한기, 출력 감쇠기, 톱니파 발진기, 리액턴스 소자(관)

30. 다음 중 고저항의 측정 방법에 사용되는 방법은?
     1. 직접편위법
     2. 전압강하법
     3. 전위차계법
     4. 캘빈 더블 브리지법

     정답 : []
     정답률 : 32%

3과목 : 전자측정


31. 지기 계기의 제어장치 중 교류용 적산전력계에 대표적으로 사용되는 제어 방법은?
     1. 스프링 제어
     2. 중력 제어
     3. 전기적 제어
     4. 맴돌이 전류 제어

     정답 : []
     정답률 : 63%
     <문제 해설>
적산전력계 제어는 맴돌이 전류 제어 이다.

32. Q 미터의 구성에서 측정 중에 주파수의 잡음이 생기지 않도록 다른 부분과 차폐시키는 부분은?
     1. 고주파 발진부
     2. 입력 감시부
     3. 동조 회로부
     4. Q 지시부

     정답 : []
     정답률 : 39%
     <문제 해설>
잡음이 생기려면 고주파가 필요하므로 고주파를 막는다.

33. A-D 컨버터는 무슨 회로인가?
     1. 저항 측정회로
     2. 전력을 전압으로 변환하는 회로
     3. 전류의 양을 전압의 양으로 변환하는 회로
     4. 아날로그 양을 디지털 양으로 변환하는 회로

     정답 : []
     정답률 : 85%

34. 다음 중 계수형 주파수계로 측정한 결과 1[분]에 반복회수가 7200번 이었을 때, 주파수는 몇 [Hz]인가?
     1. 30
     2. 60
     3. 120
     4. 240

     정답 : []
     정답률 : 82%

35. 가동코일형 계기로 교류 전압을 측정하고자 한다. 어떤 장치가 필요한가?
     1. 정류기
     2. 발진기
     3. 증폭기
     4. 혼합기

     정답 : []
     정답률 : 59%

36. 정전용량이나 유전체 손실각의 측정에 사용되는 것은?
     1. 셰링 브리지(Schering Bridge)
     2. 맥스웰 브리지(Maxwell Bridge)
     3. 헤이 브리지(Hay Bridge)
     4. 휘트스톤 브리지(Wheatstone Bridge)

     정답 : []
     정답률 : 70%

37. 고정코일(coil) 속에 철편을 넣고, 고정코일(coil)에 측정 전류를 흘려 지침을 가동하는 계기는?
     1. 가동 코일형
     2. 정류형
     3. 가동 철편형
     4. 유도형

     정답 : []
     정답률 : 43%

38. 디지털 측정 시 고주파 신호를 변환할 때 A/D 변환기와 함께 사용하는 회로는?
     1. 스켈치 회로
     2. 파형 정형회로
     3. 클럭 발생회로
     4. 샘플 홀드 회로

     정답 : []
     정답률 : 56%

39. 계기 눈금의 부정확, 외부 자장 등에 의하여 생기는 오차는?
     1. 개인적 오차
     2. 계통적 오차
     3. 우연 오차
     4. 파형 오차

     정답 : []
     정답률 : 66%

40. 지시 계기의 기능상 3대 요소에 해당되지 않는 것은?
     1. 구동 장치
     2. 제어 장치
     3. 제동 장치
     4. 입력 장치

     정답 : []
     정답률 : 79%

41. 태양 전지를 연속적으로 사용하기 위하여 필요한 장치는?
     1. 변조장치
     2. 정류장치
     3. 축전장치
     4. 검파장치

     정답 : []
     정답률 : 82%

42. 전자 냉동은 어떤 효과를 이용한 것인가?
     1. 피어즈 효과
     2. 펠티어 효과
     3. 지이벡 효과
     4. 쇼트키 효과

     정답 : []
     정답률 : 85%
     <문제 해설>
전자냉동 나오면 걍 펠티어임 개꿀딱문제.
[해설작성자 : 수도공고 전자과O_<]

43. 제어하려는 양을 목표에 일치시키기 위하여 편차가 있으면 그것을 검출하여 정정 동작을 자동으로 행하는 것을 의미하는 것은?
     1. 제어 대상
     2. 설정값
     3. 제어량
     4. 자동 제어

     정답 : []
     정답률 : 68%

44. 단파통신에서 다이버시티를 사용하는 주된 이유는?
     1. 주파수 특성을 향상시키기 위하여
     2. 페이딩을 방지하기 위하여
     3. 이득을 높이기 위하여
     4. 출력을 높이기 위하여

     정답 : []
     정답률 : 75%

45. 항법 보조장치의 ILS 란?
     1. 계기 착륙 시스템
     2. 회전 비이컨
     3. 무지향성 무선표식
     4. 호우머

     정답 : []
     정답률 : 74%

46. 무선 수신기의 안테나 회로에 웨이브 트랩을 사용하는 목적으로 가장 적절한 것은?
     1. 페이딩을 방지하기 위하여
     2. 혼신을 방지하기 위하여
     3. 델린저의 영향을 방지하기 위하여
     4. 지향성을 갖게 하기 위하여

     정답 : []
     정답률 : 49%

47. VTR용 Head의 자성재료로서 구비해야 할 사항을 열거한 것이다. 적당하지 않은 것은?
     1. 기계적, 전자적으로 안정할 것
     2. 보자력이 클 것
     3. 마모성이 클 것
     4. 잡음발생이 적을 것

     정답 : []
     정답률 : 75%
     <문제 해설>
내마모성이 클 것

48. VTR의 컬러 프로세스(color process)의 VHS 방식에서 사용하고 있는 색 신호 처리방식은 무엇인가?
     1. PI(phase invert) 방식
     2. PS(phase shift) 방식
     3. DOS 방식
     4. HPF2 방식

     정답 : []
     정답률 : 63%

49. 목표값이 시간에 따라 변화하고 출력이 이것을 추종할 때의 제어는?
     1. 정치 제어
     2. 추치 제어
     3. 과도 제어
     4. 프로세스 제어

     정답 : []
     정답률 : 49%

50. 오디오 앰프(audio amp)에 부궤환을 걸어줄 때의 현상이 아닌 것은?
     1. 주파수 특성이 개선된다.
     2. 안정도가 향상된다.
     3. 찌그러짐이 감소된다.
     4. 증폭도가 증가한다.

     정답 : []
     정답률 : 51%
     <문제 해설>
부궤환 증폭기의 특징
• 주파수 특성 개선
• 안정도 향상
• 비직선 일그러짐 감소
• 증폭 이득 감소에 따른 출력 저하
[해설작성자 : 솔로몬]

51. 초음파 가공기에서 호온(horn)의 역할로 가장 적절한 것은?
     1. 공구의 진폭을 크게 하기 위해
     2. 진동을 약하게 하기 위해
     3. 공구와 결합을 용이하게 하기 위해
     4. 발진기와 임피던스 매칭을 하기 위해

     정답 : []
     정답률 : 52%

52. 조절계에서 P동작이라고 하는 것은?
     1. 온/오프 동작
     2. 비례 동작
     3. 적분 동작
     4. 미분 동작

     정답 : []
     정답률 : 56%

53. 귀의 청력을 검사하기 위하여 가청 주파수 영역의 여러 가지 레벨의 순음을 전기적으로 발생하는 음향 발생장치는?
     1. 심전계
     2. 뇌파계
     3. 근전계
     4. 오디오미터

     정답 : []
     정답률 : 81%
     <문제 해설>
청력=오디오미터
[해설작성자 : 한국나노마이스터고 1기]

54. 초음파를 이용하여 강물의 깊이를 측정하려고 한다. 반사파가 도달하기까지 0.5초 걸렸을 때 강물의 깊 이는 몇 [m] 인가? (단, 강물에서 초음파의 속도는 1400[m/sec] 이다.)
     1. 70[m]
     2. 230[m]
     3. 350[m]
     4. 700[m]

     정답 : []
     정답률 : 67%
     <문제 해설>
1400*0.5/2=350
[해설작성자 : ㅅㅎㄹ]

55. 방송국으로부터 직접파와 반사파가 수상될 때 수상되는 시간차이로 인하여 다중상이 생기는 현상을 무엇이라 하는가?
     1. 고스트(ghost)
     2. 글로스(gloss)
     3. 그라데이션(gradation)
     4. 콘트라스트(contrast)

     정답 : []
     정답률 : 72%

56. 수신기의 특성 중 송신된 전파를 수신할 때, 수신기가 본래의 정보 신호를 어느 정도 정확하게 재생시키느냐의 능력을 나타내는 것으로, 주파수 특성, 일그러짐, 잡음 등에 의하여 결정되는 것은?
     1. 충실도
     2. 안정도
     3. 선택도
     4. 감도

     정답 : []
     정답률 : 60%
     <문제 해설>
1. 입력 신호파를 정확하게 출력으로 재현하는 능력
2. 신호 전파를 출력하면서 장시간 동안 일정한 출력을 내는 능력
3. 무선 수신기에서 필요한 신호와 불필요한 신호를 주파수의 차로 분리하는 능력
4. 얼마만큼의 세기의 전파를 수신할 수 있는 능력

57. 녹음기에서 테이프의 정상 이송 구동기구가 아닌 것은?
     1. 테이프 리프터(tape-lifter)
     2. 캡스턴(capstan)
     3. 핀치 로울러(pinch-roller)
     4. 플라이 휠(fly-wheel)

     정답 : []
     정답률 : 30%
     <문제 해설>
테이프 리프터 : 빨리 감기로 인한 헤드의 마찰이나 고속 재생음을 방지하기 위해 테이프를 헤드면에서 떼어놓기 위해 설치.
[해설작성자 : 솔로몬]

58. 제어량의 변화를 일으킬 수 있는 신호 중에서 기준 입력신호 이외의 것을 무엇이라 하는가?
     1. 제어동작 신호
     2. 외란
     3. 주되먹임 신호
     4. 제어 편차

     정답 : []
     정답률 : 75%

59. 녹음기에 녹음 바이어스 회로를 사용하는 주된 이유는?
     1. 증폭을 높이기 위하여
     2. 대역폭을 넓히기 위하여
     3. 신호를 없애기 위하여
     4. 일그러짐을 없애기 위하여

     정답 : []
     정답률 : 68%

60. 일상 생활에 많이 사용하는 초음파 가습기, 초음파 세척기는 초음파의 어떤 현상을 이용하여 만든 것인가?
     1. 캐비테이션(cavitation)
     2. 응집
     3. 소나(SONAR)
     4. 히스테리시스

     정답 : []
     정답률 : 68%


정 답 지

1

2

3

4

5

6

7

8

9

10

11

12

13

14

15

16

17

18

19

20

21

22

23

24

25

26

27

28

29

30

31

32

33

34

35

36

37

38

39

40

41

42

43

44

45

46

47

48

49

50

51

52

53

54

55

56

57

58

59

60

전자기능사 필기 기출문제(해설) 및 CBT 2006년07월16일(4회)을 이용해 주셔서 감사합니다.
전자기기능사, 전자기기, 전자, 기기, 기능사, 필기, 기출문제, 전자문제집, CBT, 온라인, 모의테스트, 모의고사



List of Articles
번호 제목 글쓴이 날짜 조회 수
4366 전자기능사 필기 기출문제(해설) 및 CBT 2002년01월27일(1회)(6808) new 좋은아빠되기 2025.10.07 0
4365 전자기능사 필기 기출문제(해설) 및 CBT 2002년04월07일(2회)(6809) new 좋은아빠되기 2025.10.07 0
4364 전자기능사 필기 기출문제(해설) 및 CBT 2002년07월21일(4회)(6810) new 좋은아빠되기 2025.10.07 0
4363 전자기능사 필기 기출문제(해설) 및 CBT 2002년10월06일(5회)(6811) new 좋은아빠되기 2025.10.07 0
4362 전자기능사 필기 기출문제(해설) 및 CBT 2003년01월26일(1회)(6812) new 좋은아빠되기 2025.10.07 0
4361 전자기능사 필기 기출문제(해설) 및 CBT 2003년03월30일(2회)(6813) new 좋은아빠되기 2025.10.07 0
4360 전자기능사 필기 기출문제(해설) 및 CBT 2003년07월20일(4회)(6814) new 좋은아빠되기 2025.10.07 0
4359 전자기능사 필기 기출문제(해설) 및 CBT 2003년10월05일(5회)(6815) new 좋은아빠되기 2025.10.07 0
4358 전자기능사 필기 기출문제(해설) 및 CBT 2004년02월01일(1회)(6816) new 좋은아빠되기 2025.10.07 0
4357 전자기능사 필기 기출문제(해설) 및 CBT 2004년04월04일(2회)(6817) new 좋은아빠되기 2025.10.07 0
4356 전자기능사 필기 기출문제(해설) 및 CBT 2004년07월18일(4회)(6818) new 좋은아빠되기 2025.10.07 0
4355 전자기능사 필기 기출문제(해설) 및 CBT 2004년10월10일(5회)(6819) new 좋은아빠되기 2025.10.07 0
4354 전자기능사 필기 기출문제(해설) 및 CBT 2005년01월30일(1회)(6820) new 좋은아빠되기 2025.10.07 0
4353 전자기능사 필기 기출문제(해설) 및 CBT 2005년04월03일(2회)(6821) new 좋은아빠되기 2025.10.07 0
4352 전자기능사 필기 기출문제(해설) 및 CBT 2005년07월17일(4회)(6822) new 좋은아빠되기 2025.10.07 0
4351 전자기능사 필기 기출문제(해설) 및 CBT 2005년10월02일(5회)(6823) new 좋은아빠되기 2025.10.07 0
4350 전자기능사 필기 기출문제(해설) 및 CBT 2006년01월22일(1회)(6824) new 좋은아빠되기 2025.10.07 0
4349 전자기능사 필기 기출문제(해설) 및 CBT 2006년04월02일(2회)(6825) new 좋은아빠되기 2025.10.07 0
» 전자기능사 필기 기출문제(해설) 및 CBT 2006년07월16일(4회)(6826) new 좋은아빠되기 2025.10.07 0
4347 전자기능사 필기 기출문제(해설) 및 CBT 2006년10월01일(5회)(6827) new 좋은아빠되기 2025.10.07 0
Board Pagination Prev 1 ... 321 322 323 324 325 326 327 328 329 330 ... 544 Next
/ 544