자격증 필기 기출문제



9급 국가직 공무원 전기이론 필기 기출문제(해설) 및 CBT 2025년04월05일(16481)

최강 자격증 기출문제 전자문제집 CBT : www.comcbt.com


전자문제집 CBT란?

종이 문제집이 아닌 인터넷으로 문제를 풀고 자동으로 채점하며 모의고사, 오답 노트, 해설까지 제공하는
무료 기출문제 학습 프로그램으로 실제 상설검정에서 사용하는 OMR 형식의 CBT를 제공합니다.


최신 9급 국가직 공무원 전기이론 필기 기출문제 : [다운로드]

1. 유효전력 800[W], 무효전력 600[VAR]인 단상 교류 회로의 역률은?
     1. 0.3
     2. 0.4
     3. 0.6
     4. 0.8

     정답 : []
     정답률 : 알수없음

2. 무한히 긴 두 개의 평행도선에 1[A]의 전류가 같은 방향으로 흐르고 있을 때, 평행도선의 간격만 2배로 증가한 경우 두 평행도선 사이에 작용하는 힘에 대한 설명으로 옳은 것은?
     1. 반발력이 작용하고, 크기는 1/4배가 된다.
     2. 반발력이 작용하고, 크기는 1/2배가 된다.
     3. 흡인력이 작용하고, 크기는 1/4배가 된다.
     4. 흡인력이 작용하고, 크기는 1/2배가 된다.

     정답 : []
     정답률 : 알수없음

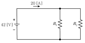
3. 그림의 회로에서 R1과 R2 저항값의 차[Ω]는? (단, R1+R2=10[Ω]이다)

   

     1. 2
     2. 4
     3. 6
     4. 8

     정답 : []
     정답률 : 알수없음

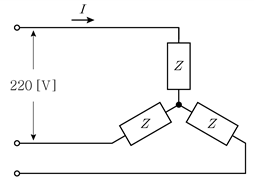
4. 그림의 평형 3상 회로에서 선간전압이 220[V]이고 한 상의 임피던스가 Z=4+j3[Ω]일 때, 선전류 I[A]는? (단, 전압과 전류는 실횻값이다)

   

     1.
     2.
     3.
     4.

     정답 : []
     정답률 : 알수없음

5. 정전용량이 8[μF]인 평행판 축전기의 전압이 200[V]일 때, 축전기의 전하량 Q[C]는?
     1. 1.6×10-3
     2. 3.2×10-3
     3. 1.6×10-2
     4. 3.2×10-2

     정답 : []
     정답률 : 알수없음

6. 그림의 직렬회로에서 저항 R[Ω]과 리액턴스 X[Ω]는?(단, v(t)=40sin(120πt)[V]이고, i(t)=2sin(120πt-30°)[A]이다)

   

     1.
     2.
     3.
     4.

     정답 : []
     정답률 : 알수없음

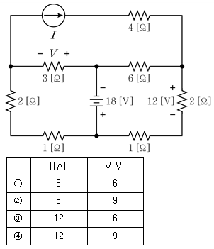
7. 그림의 회로에서 전류 I[A]와 전압 V[V]는?

   

     1.
     2.
     3.
     4.

     정답 : []
     정답률 : 알수없음

8. L1 = L2 = 2[mH] 인 두 코일을 (a), (b)와 같이 접속했을 때의 합성 인덕턴스 La[mH], Lb[mH]에 대한 설명으로 옳은 것은? (단, 두 접속 회로에서 결합 계수는 0.5이다)

   

     1. La는 Lb의 1/4배다.
     2. La는 Lb의 1/3배다.
     3. La는 Lb의 3배다.
     4. La는 Lb의 4배다.

     정답 : []
     정답률 : 알수없음

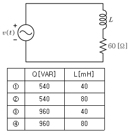
9. 그림의 회로에서 유효전력은 720[W]이고 역률은 0.6일 때, 무효전력 Q[VAR]와 인덕턴스 L[mH]은? (단, v(t)의 주파수는 1000/π[Hz]이다)

   

     1.
     2.
     3.
     4.

     정답 : []
     정답률 : 알수없음

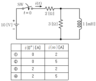
10. 그림의 회로에서 스위치 SW가 t=0에서 동작하여 닫힌 상태를 유지할 때, 초기 전류 i(0+)[A]와 정상 상태 전류 i(∞)[A]는? (단, 인덕터의 초기 전류는 0이다)

    

     1.
     2.
     3.
     4.

     정답 : []
     정답률 : 알수없음

11. 단상 교류전력에 대한 설명으로 옳지 않은 것은?
     1. 순시전력은 복소전력의 크기이다.
     2. 유효전력은 저항에서 실제로 소비되는 전력이다.
     3. 피상전력은 전압 실횻값과 전류 실횻값의 곱이다.
     4. 무효전력은 리액턴스에서 전원과 교환되는 전력이다.

     정답 : []
     정답률 : 알수없음

12. 평형 3상 회로의 △결선 부하에 대한 설명으로 옳지 않은 것은?
     1. 각 선전류의 위상차는 120°이다.
     2. 상전압과 선간전압의 크기가 같다.
     3. 상전류 크기는 선전류 크기의 √3배이다.
     4. 상전류와 선전류 사이의 위상차가 존재한다.

     정답 : []
     정답률 : 알수없음

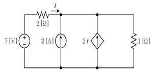
13. 그림의 회로에서 전류 I[A]는?

    

     1. 0.4
     2. 1
     3. 1.4
     4. 2

     정답 : []
     정답률 : 알수없음

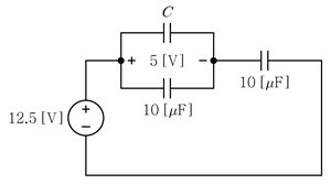
14. 그림의 회로에서 커패시턴스 C[μF]는? (단, 회로는 정상상태이다)

    

     1. 2.5
     2. 5
     3. 7.5
     4. 10

     정답 : []
     정답률 : 알수없음

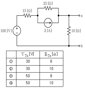
15. 그림의 회로에서 단자 a-b의 테브난 등가 전압 VTh[V]와 테브난 등가 저항 RTh[Ω]는?

    

     1.
     2.
     3.
     4.

     정답 : []
     정답률 : 알수없음

16. 저항 10[Ω]에 비정현파 전류 is(t)=3sin(ωt)+sin(3ωt) [A]가 흐를 때, 전류의 실횻값 Is[A]와 저항의 평균전력 P[W]는? (단, ω는 각주파수이다)

    

     1.
     2.
     3.
     4.

     정답 : []
     정답률 : 알수없음

17. 그림의 회로에서 스위치 SW를 t=0에서 닫았을 때, 전류 i(t)[A]의 자연 응답 특성은?

    

     1. 무감쇠
     2. 과감쇠
     3. 부족감쇠
     4. 임계감쇠

     정답 : []
     정답률 : 알수없음

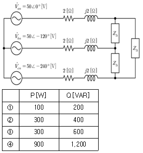
18. 그림의 회로에서 한 상의 부하가 Z=3+j6[Ω]일 때, 3상 부하 전체의 유효전력 P[W]와 무효전력 Q[VAR]는? (단, 전압은 실횻값이다)

    

     1.
     2.
     3.
     4.

     정답 : []
     정답률 : 알수없음

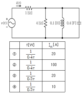
19. 그림의 회로에서 교류 전류의 진폭 Im[A]이 최소가 되는 주파수 f[Hz]와 이 주파수에서 전류의 진폭 Im[A]은? (단, v(t)=100sin(2πft)[V]이고, i(t)=Imsin(2πft+θ)[A]이다)

    

     1.
     2.
     3.
     4.

     정답 : []
     정답률 : 알수없음

20. 그림의 회로에서 부하 저항 RL의 평균전력 P[kW]는? (단, 변압기는 이상적이고 전압은 실횻값이다)

    

     1. 2.5
     2. 5
     3. 7.5
     4. 10

     정답 : []
     정답률 : 알수없음


정 답 지

1

2

3

4

5

6

7

8

9

10

11

12

13

14

15

16

17

18

19

20

9급 국가직 공무원 전기이론 필기 기출문제(해설) 및 CBT 2025년04월05일을 이용해 주셔서 감사합니다.
, 필기, 기출문제, 전자문제집, CBT, 온라인, 모의테스트, 모의고사



List of Articles
번호 제목 글쓴이 날짜 조회 수
15609 9급 국가직 공무원 직업상담심리학개론 필기 기출문제(해설) 및 CBT 2025년04월05일(16485) 좋은아빠되기 2025.10.08 0
15608 9급 국가직 공무원 조림 필기 기출문제(해설) 및 CBT 2025년04월05일(16484) 좋은아빠되기 2025.10.08 1
15607 9급 국가직 공무원 정보시스템보안 필기 기출문제(해설) 및 CBT 2025년04월05일(16483) 좋은아빠되기 2025.10.08 0
15606 9급 국가직 공무원 전자공학개론 필기 기출문제(해설) 및 CBT 2025년04월05일(16482) 좋은아빠되기 2025.10.08 1
» 9급 국가직 공무원 전기이론 필기 기출문제(해설) 및 CBT 2025년04월05일(16481) 좋은아빠되기 2025.10.08 1
15604 9급 국가직 공무원 전기기기 필기 기출문제(해설) 및 CBT 2025년04월05일(16480) 좋은아빠되기 2025.10.08 0
15603 9급 국가직 공무원 재배학개론 필기 기출문제(해설) 및 CBT 2025년04월05일(16479) 좋은아빠되기 2025.10.08 1
15602 9급 국가직 공무원 재난관리론 필기 기출문제(해설) 및 CBT 2025년04월05일(16478) 좋은아빠되기 2025.10.08 1
15601 9급 국가직 공무원 임업경영 필기 기출문제(해설) 및 CBT 2025년04월05일(16477) 좋은아빠되기 2025.10.08 0
15600 9급 국가직 공무원 안전관리론 필기 기출문제(해설) 및 CBT 2025년04월05일(16476) 좋은아빠되기 2025.10.08 1
15599 9급 국가직 공무원 식용작물 필기 기출문제(해설) 및 CBT 2025년04월05일(16475) 좋은아빠되기 2025.10.08 0
15598 9급 국가직 공무원 사회복지학개론 필기 기출문제(해설) 및 CBT 2025년04월05일(16474) 좋은아빠되기 2025.10.08 1
15597 9급 국가직 공무원 노동법개론 필기 기출문제(해설) 및 CBT 2025년04월05일(16473) 좋은아빠되기 2025.10.08 0
15596 9급 국가직 공무원 국제법개론 필기 기출문제(해설) 및 CBT 2025년04월05일(16472) 좋은아빠되기 2025.10.08 1
15595 9급 국가직 공무원 교정학개론 필기 기출문제(해설) 및 CBT 2025년04월05일(16471) 좋은아빠되기 2025.10.08 0
15594 9급 국가직 공무원 교육학개론 필기 기출문제(해설) 및 CBT 2025년04월05일(16470) 좋은아빠되기 2025.10.08 1
15593 9급 국가직 공무원 관세법개론 필기 기출문제(해설) 및 CBT 2025년04월05일(16469) 좋은아빠되기 2025.10.08 0
15592 9급 국가직 공무원 공직선거법 필기 기출문제(해설) 및 CBT 2025년04월05일(16468) 좋은아빠되기 2025.10.08 1
15591 9급 국가직 공무원 공업화학 필기 기출문제(해설) 및 CBT 2025년04월05일(16467) 좋은아빠되기 2025.10.08 2
15590 9급 국가직 공무원 경제학개론 필기 기출문제(해설) 및 CBT 2025년04월05일(16466) 좋은아빠되기 2025.10.08 1
Board Pagination Prev 1 2 3 4 5 6 7 8 9 10 ... 784 Next
/ 784