자격증 필기 기출문제



정보통신산업기사 필기 기출문제(해설) 및 CBT 2018년03월04일(9692)

최강 자격증 기출문제 전자문제집 CBT : www.comcbt.com


전자문제집 CBT란?

종이 문제집이 아닌 인터넷으로 문제를 풀고 자동으로 채점하며 모의고사, 오답 노트, 해설까지 제공하는
무료 기출문제 학습 프로그램으로 실제 상설검정에서 사용하는 OMR 형식의 CBT를 제공합니다.


최신 정보통신산업기사 필기 기출문제 : [다운로드]

1과목 : 디지털전자회로


1. 다음 중 직류 전원회로를 구성하는 회로가 아닌 것은?
     1. 정류회로
     2. 변조회로
     3. 평활회로
     4. 정전압회로

     정답 : []
     정답률 : 72%
     <문제 해설>
변조 : 고주파 교류 신호를 저주파 교류 신호에 따라 변화시키는 일
[해설작성자 : 타코찡]

2. 다음 그림에서 제너다이오드에 흐르는 전류가 25[mA]가 되도록 정전압회로를 설계하려면 저항 R1값은 약 얼마인가?

   

     1. 0.7[Ω]
     2. 1.2[Ω]
     3. 16.5[Ω]
     4. 66.7[Ω]

     정답 : []
     정답률 : 59%

3. 베이스(B)를 기준으로 PNP 트랜지스터가 활성영역에서 동작하기 위한 바이어스로 알맞은 것은? (단, E : 이미터, C : 컬렉터 이다.)
     1. E 는 +, C 는 -
     2. E 는 -, C 는 +
     3. E 는 +, C 는 +
     4. E 는 -, C 는 -

     정답 : []
     정답률 : 75%
     <문제 해설>
베이스를 중심으로
E(이미터)는 순방향(+)
C(컬렉터)는 역방향(-)
[해설작성자 : 타코찡]

4. 다음 중 부궤환 증폭기의 특징이 아닌 것은?
     1. 부하변동에 의한 이득변동이 감소한다.
     2. 일그러짐과 잡음이 증가한다.
     3. 주파수 특성이 좋다.
     4. 증폭도가 감소한다.

     정답 : []
     정답률 : 67%
     <문제 해설>
신호 대 간섭비 감소로 잡음의 감소 및 잡음의 영향을 줄임
[해설작성자 : 타코찡]

5. 전압증폭기의 전압이득이 1,000±100일 때, 이 전압 이득의 변화를 0.1[%]로 하기 위한 부궤환 증폭기의 궤환량 β는 얼마인가?
     1. 9
     2. 0.9
     3. 0.09
     4. 0.099

     정답 : []
     정답률 : 66%

6. 다음 중 FET(Field Effect Transistor)에 대한 설명으로 틀린 것은?
     1. 입력 임피던스가 크다.
     2. 다수캐리어에 의해서만 동작한다.
     3. 게이트 전류에 의해서 드레인 전류가 제어된다.
     4. 트랜지스터보다 이득-대역폭적이 작다.

     정답 : []
     정답률 : 56%
     <문제 해설>
전류X, 역전압O
[해설작성자 : 수험생]

fet게이트는 게이트에 인가되는 전압을 조절하여 드레인과 소스사이의 전류흐름을 제어함
[해설작성자 : 탑은 정글차이 윤브딱]

7. 다음 그림은 윈브리지 발진기의 블록도이다. 발진하기 위한 저항 R2의 값은? (단, 발진을 위한 개방루프 이득은 3이다.)

   

     1. 5[kΩ]
     2. 10[kΩ]
     3. 20[kΩ]
     4. 30[kΩ]

     정답 : []
     정답률 : 62%

8. 다음 중 슈미트 트리거(Schmitt Trigger) 회로의 응용 분야가 아닌 것은?
     1. 전압비교기 회로
     2. 구형파 발생 회로
     3. D/A(Digital to Analog) 변환 회로
     4. 리미터 회로

     정답 : []
     정답률 : 74%
     <문제 해설>
A/D(Analog to Digital) 변횐 회로 이용
[해설작성자 : 타코찡]

9. 다음 중 대역폭의 효율성과 복조의 용이성을 얻기 위해 진폭편이 변조방식과 위상편이 변조방식을 결합한 방식은?
     1. FSK(Frequency Shift Krying) 방식
     2. QPSK(Quadrature Phase Shift Keying) 방식
     3. QAM(Quadrature Amplitude Modulation) 방식
     4. ASK(Amplitude Shift Keying) 방식

     정답 : []
     정답률 : 81%
     <문제 해설>
FSK : 주파수 편이 변조방식
QPSK : 직교 위상 편이 변조방식
QAM : 직교 진폭 변조방식(반송파의 진폭과 위상을 동시에 변조) ASK+PSK
ASK : 진폭 위상 변조방식
[해설작성자 : 타코찡]

10. 다음 중 변조의 목적이 아닌 것은?
     1. 안테나의 길이를 줄일 수 있다.
     2. 잡음 및 간섭의 영향을 적게 받는다.
     3. 주파수 분할의 다중통신을 할 수 있다.
     4. 송신 전력을 일정하게 유지할 수 있다.

     정답 : []
     정답률 : 67%

11. 주파수 20[kHz]의 정현파로 30[MHz]의 반송 주파수를 변조할 때, 최대 주파수 편이가 80[kHz]일 때 FM파의 주파수 대역폭은 얼마인가?
     1. 180[kHz]
     2. 190[kHz]
     3. 200[kHz]
     4. 300[kHz]

     정답 : []
     정답률 : 66%
     <문제 해설>
FM변조 시 변조파의 대역폭 = (변조 신호주파수 + 최대 주파수 편이) * 2
= (20kHz + 80kHz) * 2 = 200kHz가 되어서 정답은 3번이 됩니다.
[해설작성자 : 전파공학과]

12. 다음 중 PCM(펄스부호변조)에 대한 설명으로 틀린 것은?
     1. S/N비가 좋고 원거리통신에 유용하다.
     2. 신호파를 표본화시킨다.
     3. 연속적인 시간파 진폭을 가진 아날로그 데이터를 디지털 신호로 변환하는 것이다.
     4. 표본화된 신호를 부호화한 다음에 양자화 한다.

     정답 : []
     정답률 : 75%
     <문제 해설>
표본화 - 양자화 - 부호화
[해설작성자 : 나]

13. 다음 중 멀티바이브레이터에 대한 설명으로 잘못된 것은?
     1. 정궤환이 이루어지는 회로이다.
     2. 출력 파형은 고차의 고조파를 포함한다.
     3. 시정수는 입력 파형의 주기를 결정한다.
     4. 스위치 회로의 구형파 발생, 계수회로로 사용된다.

     정답 : []
     정답률 : 50%
     <문제 해설>
입력파형이 아니라 출력파형의 주기를 결정한다.
[해설작성자 : 나]

14. 다음 중 위상 고정 루프(PLL : Phase Locked Loop)를 구성하는 내부회로가 아닌 것은?
     1. 전압 제어 발진기
     2. 주파수체배기
     3. 위상 비교기
     4. 저역 통과 필터

     정답 : []
     정답률 : 59%
     <문제 해설>
위상 고정 루프
입력 주파수의 위상과 [전압 제어 발진기] 출력의 위상차를 비교하는 [위상 비교기]
고주파 성분 제거, 위상 고정 루프의 동기 특성이나, 응답 특성을 결정하는 [저역 통화 필터]
[분주기], 인가된 직류 전압에 의해 주파수가 선형적으로 변화하는 [VCO]로 구성
[해설작성자 : 타코찡]

15. 다음 볼 대수의 정리와 관련 있는 것은?

    

     1. 교환 법칙
     2. 결합 법칙
     3. 분배 법칙
     4. 부정 법칙

     정답 : []
     정답률 : 71%

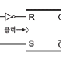
16. 다음 논리회로도가 나타내는 플립플롭회로는 무엇인가?

    

     1. T 플립플롭
     2. D 플립플롭
     3. J-K 플립플롭
     4. S-R 플립플롭

     정답 : []
     정답률 : 75%
     <문제 해설>
d플립플롬은 입력d를 그대로 출력한다,
입력된 내용과 동일한 상태가 되도록하여 데이터의 일시적인 보관 또는 디지털 신호의 전송되는 시간을 늦춰주는 지연목적에 사용
[해설작성자 : 탑은 정글차이 윤브딱]

17. 2진 4단 리플 카운터는 몇 개의 펄스를 계수할 수 있는가?
     1. 4개
     2. 8개
     3. 16개
     4. 32개

     정답 : []
     정답률 : 80%

18. 다음 중 BCD 부호를 10진수로, 2진수를 8진수나 16진수로 변환하기 위해 사용되는 회로는?
     1. 디코더
     2. 인코더
     3. 멀티플렉서
     4. 디멀티플렉서

     정답 : []
     정답률 : 71%

19. 다음 J-K 플립플롭의 여기표(Excition Table)에서 각각의 괄호 안에 맞는 답은? (단, X는 Don't care를 의미하며, J-K플립플롭의 이전 값은 초기화된 것으로 가정한다.)

    

     1. (ㄱ)=1, (ㄴ)=X, (ㄷ)=0
     2. (ㄱ)=0, (ㄴ)=X, (ㄷ)=1
     3. (ㄱ)=0, (ㄴ)=1, (ㄷ)=X
     4. (ㄱ)=1, (ㄴ)=0, (ㄷ)=X

     정답 : []
     정답률 : 73%

20. 다음 그림과 같은 논리회로는 어떤 기능을 수행하는가?

    

     1. 일치회로
     2. 반가산기
     3. 전가산기
     4. 반감산기

     정답 : []
     정답률 : 79%

2과목 : 정보통신기기


21. 정보통신시스템을 운용하기 위한 소프트웨어 파일관리 기능만을 열거한 것으로 적합하지 않은 것은?
     1. 매체공간 관리기능
     2. 기억소자 관리기능
     3. 에러제어 관리기능
     4. 엑세스 제어기능

     정답 : []
     정답률 : 68%

22. 다음 중 정보 단말기의 입ㆍ출력 기능에 속하는 것은?
     1. 입력 변환 기능
     2. 입ㆍ출력 제어 기능
     3. 에러 제어 기능
     4. 송ㆍ수신 제어 기능

     정답 : []
     정답률 : 65%

23. 다음 중 VDSL 서비스 방식에서 가입자 댁내 장비는?
     1. 다중화장비(DSLAM)
     2. 네트워크접속장치(NAS)
     3. EMS
     4. 모뎀(Modem)

     정답 : []
     정답률 : 87%

24. 다음 중 고속 데티어 스트림을 두 개 이상의 저속 데이터 스트림으로 변환하여 음성대역 등의 변ㆍ복조기를 통해 전송하는 장치는?
     1. 광대역 다중화기
     2. 역 다중화기
     3. 지능 다중화기
     4. 음성 다중화기

     정답 : []
     정답률 : 75%
     <문제 해설>
다중화기와 반대로 고속 데이터 스트림을 두 대의 느린 속도의 데이터 스트림으로 변환하여
음성 대역 변복조기를 통해 전송하면 수신측에서 다시 합하여 만들어 사용한다
[해설작성자 : 타코찡]

25. 다음 중 보기의 내용은 어떤 장비에 대한 설명인가?

    

     1. L2 스위치
     2. L3 스위치
     3. L4 스위치
     4. 리피터

     정답 : []
     정답률 : 75%
     <문제 해설>
L2 : MAC, 단일 네트워크, 흔한 방식, 가격저렴, 패킷의 MAC주소를 읽어 스위칭, 받은 데이터를 특정 포트로만 전송
L3 : IP라우터 기능, IP주소를 읽어 스위칭, 통신경로 한번만 설정, 서브넷
L4 : 로드 밸런싱, 어플리케이션별 우선순위를 두어 스위칭, 부하 분산 기능, 보안성, 네트워크 성능개선 기여
리피터 : 재생중계장치
[해설작성자 : 타코찡]

26. 다음 중 외장형 케이블 모뎀에 대한 설명으로 알맞은 것은?
     1. 기존에 사용하던 전화를 연결하여 사용할 수 있다.
     2. 케이블 TV와는 별도로 구성된 케이블 망을 사용한다.
     3. 하향으로는 256QAM 또는 64QAM 변조방식이 사용된다.
     4. PC와의 인터페이스는 RS-232 방식을 사용한다.

     정답 : []
     정답률 : 69%

27. 다음 중 공동 이용기의 종류에 해당되지 않는 것은?
     1. 선로 공동 이용기
     2. 모뎀 공동 이용기
     3. 포트 공동 이용기
     4. 디지털 서비스 유닛 공동 이용기

     정답 : []
     정답률 : 81%

28. 다음 중 프로토콜 구조가 전혀 다른 네트워크 사이를 결합하는 장비는 무엇인가?
     1. Bridge
     2. Router
     3. Repeater
     4. Gateway

     정답 : []
     정답률 : 73%
     <문제 해설>
브리지 : 두 개의 근거리 통신망을 서로 연결해주는 통신망
라우터 : 서로 다른 네트워크를 연결해주는 장치
리피터 : 선로 손실로 감쇠된 전기 신호를 증폭하는 장치
[해설작성자 : 수험생]

29. DSU에 대한 설명으로서 옳지 않은 것은?
     1. 송신측에서는 단극성 신호를 양극성 신호로 변환한다.
     2. 수신측에서는 양극성 신호를 단극성 신호로 변환한다.
     3. 디지털 전송로 양단에 설치한다.
     4. 아날로그 신호를 디지털 신호로 변환한다.

     정답 : []
     정답률 : 79%
     <문제 해설>
PCM : 아날로그 신호를 디지털 신호로 변환
[해설작성자 : 타코찡]

30. 컴퓨터나 인공위성 등의 통신수단을 이용하여 화면상으로 서로 얼굴을 보면서 통신할 수 있는 시스템 또는 팩스와 같이 종이를 이용해 정보를 전달하는 통신을 무엇이라 하는가?
     1. 화상통신
     2. 위성통신
     3. 음향통신
     4. 이동통신

     정답 : []
     정답률 : 84%

31. 다음 중 교환기에서 가입자 선을 정합하는 가입자 회로의 기능이 아닌 것은?
     1. Charging
     2. Battery Feed
     3. Coding, Decoding
     4. Over-voltage Protection

     정답 : []
     정답률 : 72%
     <문제 해설>
BORSCHT
디지털 교환기의 가입자 정합장치가 제공하는 기본적인 기능들을 나타내는 용어
기능을 나타내는 영어 단어들의 앞글자를 따서 만든 약자이다 .
B : Battery feed 전류공급
O : Over Voltage Protection 과전압보호
R : Ringing 신호
S : Supervision 감독
C : Coding/Decoding 코덱
H : Hybrid 혼성
T : Test 테스트
[해설작성자 : 앙기모띵]

32. 다음 중 CATV의 센터설비에서 헤드엔드의 주요 기능과 거리가 먼 것은?
     1. 프로그램의 검색 및 편집
     2. 변조
     3. TV 신호처리
     4. Pilot 신호 발생

     정답 : []
     정답률 : 68%

33. 다음 중 화상통신에서의 전송 순서로 올바른 것은?
     1. 송신화상→광전변환→전송로→전광변환→수신화상
     2. 송신화상→변조→전광변환→광전변환→복조→수신화상
     3. 송신화상→전광변환→변조→복조→광전변환→수신화상
     4. 송신화상→광전변환→전광변환→변조→복조→수신화상

     정답 : []
     정답률 : 71%

34. 다음 중 CDMA기반 이동통신망에서 Multi-path 페이딩을 방지하는 가장 효율적인 것은?
     1. 레이크 수신기
     2. 헤테로다인 수신기
     3. 압신기
     4. 반전 및 사치

     정답 : []
     정답률 : 72%
     <문제 해설>
레이크 수신기 : 확사나 대역폭을 크게 취함으로 다중 경로 분리를 용이하게 하고
이를 레이크 수신으로 합성함으로써 다중경로 페이딩 전송로에서 양호한 수신 특성
[해설작성자 : 타코찡]

35. 반파장 다이폴 안테나의 도파기 길이가 15[cm]라 한다면, 이 안테나의 고유주파수는 얼마인가? (단, 전파속도는 3×108[m/sec]로 한다.)
     1. 0.5[GHz]
     2. 1[GHz]
     3. 2[GHz]
     4. 3[GHz]

     정답 : []
     정답률 : 64%
     <문제 해설>
반파장 다이폴 안테나의 길이 L = λ/2 (λ = 파장), 문제에서 L = 15cm라고 주었으므로 15 = λ/2 따라서 λ = 30
수파수 f = c/λ이므로 (3 x 10^8)/30 = 1GHz

따라서 답은 2번 1GHz
[해설작성자 : 정보통신산업기사 공부중]

36. 하나의 회선에 서로 다른 두 개 이상의 신호를 동시에 전송하는 것을 무슨 방식이 하는가?
     1. 중복 전송
     2. 다중화
     3. 다방향 전송
     4. 다원접속

     정답 : []
     정답률 : 82%

37. 다음 중 스마트 사회(Smart Society)에 대한 설명으로 가장 적합한 것은?
     1. 시간과 장소에 따라 스마트폰을 사용할 수 있는 체제
     2. 시간과 장소에 따라 노트북을 사용할 수 있는 체제
     3. 사회의 조직과 유지가 스마트기기의 활용에 의존하는 사회제체
     4. 클라우드를 이용하여 통신하는 체제

     정답 : []
     정답률 : 80%

38. VOD(Video On Demand) 시스템의 구성 중 헤드엔드와 통신이 가능한 애플리케이션이 셋탑박스 부팅과 함께 동시 로딩되어 고객이 요청하는 시간과 콘텐츠를 상기 시스템과 실시간으로 통신하여 이용자에게 서비스를 제공하는 구간은?
     1. Pumping부
     2. 전송부
     3. 사용자부(Client)
     4. 데이터 변환부

     정답 : []
     정답률 : 70%

39. 다음 중 뉴미디어의 특징이 아닌 것은?
     1. 즉시성와 공평성
     2. 간편성과 수익성
     3. 개인화와 능동성
     4. 단일화와 단방향성

     정답 : []
     정답률 : 86%

40. 다음 중 유선기반의 홈네트워크 기술이 아닌 것은?
     1. Home PNA
     2. PLC(Power Line Communication)
     3. Ethernet
     4. Bluetooth

     정답 : []
     정답률 : 85%
     <문제 해설>
블루투스는 무선 기반 통신 방식이지요.
[해설작성자 : 수험생]

3과목 : 정보전송개론


41. 동기 TDM에서 n개의 신호 출처가 있는 경우, 각 프레임이 포함하는 시간슬롯(Time Slot)의 최소 개수는?
     1. n-1개
     2. n개
     3. n+1개
     4. n+2개

     정답 : []
     정답률 : 73%

42. 반송 다중통신에서 초군(기초 초군)대역을 이용하는 경우 4[kHz]의 음성채널 몇 개를 동시에 전송할 수 있는가?
     1. 20개
     2. 30개
     3. 50개
     4. 60개

     정답 : []
     정답률 : 69%

43. 8진 PSK(Phase Shift Keying)에서 반송파 간의 위상차는?
     1. 25도
     2. 45도
     3. 90도
     4. 125도

     정답 : []
     정답률 : 82%

44. 채널대역폭이 3[kHz], S/N비가 20일 때 채널용량은 얼마인가?
     1. 3,320[bps]
     2. 4,840[bps]
     3. 6,640[bps]
     4. 13,176[bps]

     정답 : []
     정답률 : 69%

45. 다음 중 동축케이블의 구성요소에 해당되지 않는 것은?
     1. 클래드
     2. 절연체
     3. 내부도체
     4. 외부도체

     정답 : []
     정답률 : 79%
     <문제 해설>
클래드는 광케이블의 구조 중 하나
[해설작성자 : 타코찡]

46. 다음 중 대역확산 방식의 장점이 아닌 것은?
     1. 방해파 억압
     2. 에너지 밀도 증가
     3. 비화특성 우수
     4. 다중 액세스

     정답 : []
     정답률 : 76%

47. 다음 광섬유 케이블 접속 중에서 커넥터 다중접속이 용이한 것은?
     1. 리본형
     2. 스트랜드형
     3. 슬롯트형
     4. 단일 유니트형

     정답 : []
     정답률 : 79%

48. 다음 중 TRS(주파수 공용통신)의 특성이 아닌 것은?
     1. 반이중(Half-duplex)방식을 사용한다.
     2. 독자적 자가망 구축이 어렵다.
     3. 주파수 사용 효율이 높다.
     4. 신속한 호접속이 가능하다.

     정답 : []
     정답률 : 75%
     <문제 해설>
자가망 구축이 유리합니다.
[해설작성자 : 수험생]

49. 다음 중 디지털 전송방식에 대한 설명으로 옳지 않은 것은?
     1. 신호를 변환하지 않고 전송하는 방식이 Baseband 전송이다.
     2. Baseband 전송 방식은 전송매체를 효율적으로 활용하지 못하여 전송 거리가 짧다.
     3. Baseband 전송은 반송파의 진폭 또는 주파수 등을 변환하여 전송하는 방식이다.
     4. 동축케이블은 Broadband와 Baseband 전송에 모두 이용된다.

     정답 : []
     정답률 : 60%

50. 다음 중 비트 동기 방식의 프로토콜이 아닌 것은?
     1. DDCMP
     2. HDLC
     3. LAP-B
     4. SDLC

     정답 : []
     정답률 : 72%
     <문제 해설>
DDCMP : 문자 동기방식
HDLC : 비트 동기방식
LAP-B : 비트 동기방식
SDLC : 비트 동기방식
[해설작성자 : 타코찡]

DDCMP는 바이트중심의 프로토콜입니다.
[해설작성자 : 전파]

51. 다음 중 비동기식 전송 방식의 설명으로 적합하지 않은 것은?
     1. 프레임 단위로 데이터를 일시에 전송한다.
     2. 송신측과 수신측이 각각 독립된 클럭을 사용한다.
     3. 각 문자의 앞에 1개의 Start Bit, 문자 뒤에 1~2개의 Stop Bit가 존재한다.
     4. 문자와 문자 사이에 일정치 않은 휴지 시간이 존재할 수 있다.

     정답 : []
     정답률 : 66%
     <문제 해설>
데이터를 일시에 전송하는 것은 동기식 전송 방식의 특징이다.
[해설작성자 : 타코찡]

52. 비동기식 전송 방식에서 Stop Bit의 역할은 무엇인가?
     1. 다음 문자를 수신할 수 있도록 준비 시간을 제공한다.
     2. 블록단위로 데이터를 일시에 전송하도록 한다.
     3. 헤딩의 시작을 표시한다.
     4. 텍스트의 시작을 표시한다.

     정답 : []
     정답률 : 83%

53. 다음 중 OSI 7 계층의 하위 계층에 해당하는 것은?
     1. 물리계층, 데이터링크계층, 네트워크계층
     2. 세션계층, 표현계층, 네트워크계층
     3. 물리계층, 트랜스포트계층, 표현계층
     4. 데이트링크계층, 트랜스포트계층, 세션계층

     정답 : []
     정답률 : 88%
     <문제 해설>
하위 계층 : 물리 계층, 데이터 링크 계층, 네트워크 계층
상위 계층 : 전송 계층, 세션 계층, 표현 계층, 응용 계층
[해설작성자 : 수험생]

54. 다음 중 프로토콜의 기능이 아닌 것은?
     1. 흐름제어(Flow Control)
     2. 세분화(Fragmentation)
     3. 정보보안(Information Security)
     4. 캡슐화(Encapsulation)

     정답 : []
     정답률 : 70%
     <문제 해설>
주소지정, 순서지정, 단편화와 재조합, 흐름제어, 연결제어, 캡슐화, 오류제어
동기화, 멀티플랙싱, 전송 서비스 등이 있다.
[해설작성자 : 타코찡]

55. OSI 7계층 참조모델 중에서 물리계층이 하는 역할을 바르게 나타낸 것은?
     1. 회선의 제어 규약을 정의
     2. 회선의 전기적 규약을 정의
     3. 회선의 다중화 규약을 정의
     4. 회선의 유지보수 규약을 정의

     정답 : []
     정답률 : 76%

56. IP address 체계의 A class에서 사용 가능한 네트워크 비트수는?
     1. 7비트
     2. 14비트
     3. 21비트
     4. 28비트

     정답 : []
     정답률 : 82%

57. 네트워크상에서 발생한 트래픽을 제어하며, 네트워크상의 경로설정 정보를 가지고 최적의 경로설정을 하는 장치는 무엇인가?
     1. 브리지(Bridge)
     2. 라우터(Router)
     3. 리피터(Repeater)
     4. 허브(Hub)

     정답 : []
     정답률 : 85%
     <문제 해설>
브리지 : 두 개의 근거리통신망을 서로 연결하는 장치
리피터 : 감쇠하는 전송신호를 새롭게 재생하여 다시 전달하는 장치
허브 : 근거리통신망인 LAN을 구성할 때 통신기기를 네트워크에 연결시키는 장치
[해설작성자 : 타코찡]

58. IPv6의 주소체계는 몇 비트로 구성되어 있는가?
     1. 32
     2. 48
     3. 64
     4. 128

     정답 : []
     정답률 : 80%
     <문제 해설>
IPv4는 32비트
IPv6는 128비트
[해설작성자 : 수험생]

59. HDLC 프레임 데이터 블록의 앞 부분에 있는 3개의 필드 F(Start Flag), A(Address), C(Control)에 할당된 크기의 총합은 몇 비트인가?
     1. 24[bit]
     2. 21[bit]
     3. 18[bit]
     4. 12[bit]

     정답 : []
     정답률 : 82%

60. 해밍거리(Hamming Distance)가 7일 때, 정정할 수 없는 에러수의 최소값은?
     1. 1
     2. 2
     3. 3
     4. 4

     정답 : []
     정답률 : 57%
     <문제 해설>
정정가능한 에러수

헤밍거리D가 홀수: D-1/2
헤밍거리D가 짝수: D-2/2

헤밍거리가 7이니까 홀수 이므로 정정가능한 에러수는 6/2=3

헤밍거리 7에서 정정가능한 에러수 3을 빼면 정정할수없는 에러값은4
[해설작성자 : 반드시 합격합니다.]

61. 다음 중 CPU의 명령어 실행 과정 순서를 올바르게 나열한 것은?
     1. Fetch Cycle → Decode Cycle → Execute Cycle
     2. Decode Cycle → Fetch Cycle → Execute Cycle
     3. Fetch Cycle → Execute Cycle → Decode Cycle
     4. Decode Cycle → Execute Cycle → Fetch Cycle

     정답 : []
     정답률 : 67%

62. 다음 중 데이터 버스를 명령어 버스와 데이터 버스로 구분하여 설계한 버스 구조는?
     1. 이중 버스 구조
     2. 단일 버스 구조
     3. 다중 버스 구조
     4. 하버드(Harvard) 버스 구조

     정답 : []
     정답률 : 70%

63. 10진수 0.337695를 8진수로 변환한 것은?
     1. 0.25471
     2. 0.27451
     3. 0.35741
     4. 0.37541

     정답 : []
     정답률 : 49%

64. 다음 중 두 개의 모듈이 같이 실행되면서 서로 호출하는 형태를 무엇이라 하는가?
     1. 라이브러리(Library )
     2. 유틸리티(Utility)
     3. 서브프로그램(Subprogram)
     4. 코루틴(Coroutine)

     정답 : []
     정답률 : 62%

65. 다음 중 원시 언어로 작성한 프로그램을 컴퓨터가 실행할 수 있는 기계어 프로그램으로 바꾸어 주는 언어 번역 프로그램이 아닌 것은?
     1. 어셈블러
     2. 컴파일러
     3. 매크로 처리기
     4. 인터프리터

     정답 : []
     정답률 : 66%
     <문제 해설>
*언어번역프로그램-원시프로그램을 기계어기반인 목적프로그램으로 바꾸어주는 프로그램.
*언어번역프로그램의 종류: 컴파일러, 어셈블러, 인터프리터

1)어셈블러-저급언어(컴퓨터언어에 가까운언어)인 어셈블리어로 작성된 원시프로그램을 기계어로 번역.
2)컴파일러-C언어와 같은 고급언어로 작성된 원시프로그램을 기계어로 번역.
4)인터프리터-BASIC,LISP등의 언어로 작성된 원시프로그램을 기계어로 번역 .
[해설작성자 : 코로나저리가라]

66. 다음 중 마이크로프로세서 내부구조에 대한 설명으로 옳은 것은?
     1. 프로그램 카운터: 프로그램메모리의 어느 위치에 있는 명령어를 수행할 것인가를 나타낸다.
     2. 명령어 레지스터: 프로그램 카운터의 값을 변경한다.
     3. 해독장치: 명령어를 지정한다.
     4. 타이밍 발생기: 다음 명령어의 위치를 가리킨다.

     정답 : []
     정답률 : 72%

67. 16진수 (19AC)16을 10진수로 변환하면?
     1. 5572
     2. 5582
     3. 6572
     4. 6582

     정답 : []
     정답률 : 65%
     <문제 해설>
1 * 16^3 = 4,096
9 * 16^2 = 2,304
10(A) * 16^1 = 160
12(C) * 16^0 = 12
합은 6,572
[해설작성자 : 정통산기 합격]

68. 주소 형식에 따른 컴퓨터 구조에서 0-주소 명령어 형식은?
     1. 누산기(Accumulator) 구조
     2. 빔용 레지스터(GPR) 구조
     3. 큐(Queue) 구조
     4. 스택(Stack) 구조

     정답 : []
     정답률 : 72%

69. 다음 중 컴퓨터 운영체제의 형태에 따른 종류별 특징에 대한 설명으로 틀린 것은?
     1. 단일 사용자 시스템은 시스템 자원보호 메커니즘이 단순하다.
     2. 멀티태스킹(Multitasking) 시스템은 여러 사용자가 동시에 컴퓨터를 사용할 수 있으며, 다중 작업에 필요한 기능을 제공하는 운영체제이다.
     3. 일괄처리 시스템은 작업처리량(Throughput), 자원의 활용도(Resource Utilization)를 높이는 데 초점을 둔다.
     4. 시분할 시스템의 응답시간은 일괄처리 시스템에 비해 느리다.

     정답 : []
     정답률 : 69%

70. 다음 중 논리적 데이터 모델의 종류가 아닌 것은?
     1. 분산(Variance) 데이터 모델
     2. 네트워크(Network) 데이터 모델
     3. 관계(Relational) 데이터 모델
     4. 계층(Hierarchical) 데이터 모델

     정답 : []
     정답률 : 57%
     <문제 해설>
관계 데이터 모델
계층 데이터 모델
네트워크 데이터 모델
객체지향 데이터 모델
객체-관계 데이터 모델
[해설작성자 : 타코찡]

71. 다음 괄호 안에 들어갈 내용으로 적합한 것은?

    

     1. 50
     2. 55
     3. 60
     4. 68

     정답 : []
     정답률 : 74%

72. 다음 중 전기통신사업법에 따른 전기통신역무와 이를 이용하여 정보를 제공하거나 정보의 제공을 매개하는 것을 무엇이라하는가?
     1. 전기통신서비스
     2. 전기통신서비스제공자
     3. 정보통신서비스
     4. 정보통신서비스제공자

     정답 : []
     정답률 : 58%

73. 기간통신사업자가 국선수용단자반에 케이블로 접속ㆍ수용하여야 하는 최소 국선 수는?
     1. 5회선
     2. 8회선
     3. 10회선
     4. 13회선

     정답 : []
     정답률 : 74%

74. 다음 중 통신ㆍ방송ㆍ인터넷이 융합된 멀티미디어 서비스를 언제 어디서나 고속ㆍ대용량으로 이용할 수 있는 정보통신망은?
     1. 초고속 정보통신망
     2. 초고속 국가정보망
     3. 광대역 국가정보망
     4. 광대역통합정보통신망

     정답 : []
     정답률 : 77%

75. 방송통신설비의 보호기 성능 및 접지에 관한 세부기술기준을 고시하는 기관은?
     1. 과학기술정보통신부
     2. 한국방송통신전파진흥원
     3. 중앙전파관리소
     4. 한국정보통신공사협회

     정답 : []
     정답률 : 70%

76. 강전류전선이라 함은 전기도체, 절연물로 싼 전기도체 또는 절연물로 싼 것은 위를 보호피막으로 보호한 전기도체 등으로서 몇 볼트 이상의 전력을 송전하거나 배전하는 전선을 말하는가?
     1. 200볼트
     2. 300볼트
     3. 500볼트
     4. 750볼트

     정답 : []
     정답률 : 71%

77. 다음 문장의 괄호 안에 들어갈 내용을 순서대로 바르게 나타낸 것은?

    

     1. 인터넷, 무선, 위성
     2. 데이터, 무선, 위성
     3. 발진, 변조, 복조
     4. 유선, 무선, 광선

     정답 : []
     정답률 : 79%

78. 다음 중 전기통신사업법에서 규정하는 보편적 역무의 내용이 아닌 것은?
     1. 유선전화 서비스
     2. 긴급통신용 전화서비스
     3. 고령층 대상 전화서비스
     4. 저소득층에 대한 요금감면 서비스

     정답 : []
     정답률 : 72%

79. 기간통신사업자가 전기통신업무에 제공되는 선로 등을 설치하기 위하여 타인의 토지 또는 이에 정착한 건물ㆍ공작물을 사용하는 경우 취하여야할 조치로 옳은 것은?
     1. 선로설비 등을 설치한 후 토지의 소유자 또는 점유자와 협상한다.
     2. 토지의 소유자 또는 점유자와 사전에 협의를 하여야 한다.
     3. 미리 토지의 소유자 또는 점유자에게 공시가로 보상을 하여야 한다.
     4. 선로설비 등을 설치한 후 토지의 소유자 또는 점유자에게 통시한다.

     정답 : []
     정답률 : 57%

80. 다음 건축물 중 집중구내통신실을 확보하여야 하는 것은?
     1. 단독주택
     2. 공동주택
     3. 다가구주택
     4. 야외공연장

     정답 : []
     정답률 : 76%


정 답 지

1

2

3

4

5

6

7

8

9

10

11

12

13

14

15

16

17

18

19

20

21

22

23

24

25

26

27

28

29

30

31

32

33

34

35

36

37

38

39

40

41

42

43

44

45

46

47

48

49

50

51

52

53

54

55

56

57

58

59

60

61

62

63

64

65

66

67

68

69

70

71

72

73

74

75

76

77

78

79

80

정보통신산업기사 필기 기출문제(해설) 및 CBT 2018년03월04일을 이용해 주셔서 감사합니다.
, 필기, 기출문제, 전자문제집, CBT, 온라인, 모의테스트, 모의고사



List of Articles
번호 제목 글쓴이 날짜 조회 수
6615 정보처리산업기사 필기 기출문제(해설) 및 CBT 2019년03월03일(9678) 좋은아빠되기 2025.11.26 1
6614 자동차정비산업기사 필기 기출문제(해설) 및 CBT 2019년03월03일(9679) 좋은아빠되기 2025.11.26 0
6613 소방설비산업기사(전기) 필기 기출문제(해설) 및 CBT 2010년09월05일(9680) 좋은아빠되기 2025.11.26 0
6612 소방설비산업기사(전기) 필기 기출문제(해설) 및 CBT 2011년06월12일(9681) 좋은아빠되기 2025.11.26 0
6611 에너지관리산업기사 필기 기출문제(해설) 및 CBT 2019년03월03일(9683) 좋은아빠되기 2025.11.26 0
6610 용접기능장 필기 기출문제(해설) 및 CBT 2011년04월17일(9684) 좋은아빠되기 2025.11.26 0
6609 건축산업기사 필기 기출문제(해설) 및 CBT 2019년03월03일(9685) 좋은아빠되기 2025.11.26 0
6608 건설재료시험기사 필기 기출문제(해설) 및 CBT 2019년03월03일(9686) 좋은아빠되기 2025.11.26 1
6607 대기환경산업기사 필기 기출문제(해설) 및 CBT 2019년03월03일(9687) 좋은아빠되기 2025.11.26 0
6606 정보통신산업기사 필기 기출문제(해설) 및 CBT 2009년05월10일(9688) 좋은아빠되기 2025.11.26 0
6605 정보통신산업기사 필기 기출문제(해설) 및 CBT 2009년08월30일(9689) 좋은아빠되기 2025.11.26 0
6604 정보통신산업기사 필기 기출문제(해설) 및 CBT 2017년09월23일(9691) 좋은아빠되기 2025.11.26 0
» 정보통신산업기사 필기 기출문제(해설) 및 CBT 2018년03월04일(9692) 좋은아빠되기 2025.11.26 0
6602 정보통신산업기사 필기 기출문제(해설) 및 CBT 2018년04월28일(9693) 좋은아빠되기 2025.11.26 0
6601 소방설비산업기사(기계) 필기 기출문제(해설) 및 CBT 2013년09월28일(9694) 좋은아빠되기 2025.11.26 0
6600 종자기사 필기 기출문제(해설) 및 CBT 2014년08월17일(9696) 좋은아빠되기 2025.11.26 0
6599 정보통신산업기사 필기 기출문제(해설) 및 CBT 2009년03월01일(9697) 좋은아빠되기 2025.11.26 0
6598 토목산업기사 필기 기출문제(해설) 및 CBT 2019년03월03일(9698) 좋은아빠되기 2025.11.26 0
6597 전기기사 필기 기출문제(해설) 및 CBT 2019년03월03일(9699) 좋은아빠되기 2025.11.26 0
6596 토목기사 필기 기출문제(해설) 및 CBT 2019년03월03일(9700) 좋은아빠되기 2025.11.26 0
Board Pagination Prev 1 ... 823 824 825 826 827 828 829 830 831 832 ... 1158 Next
/ 1158