자격증 필기 기출문제



전자캐드기능사 필기 기출문제(해설) 및 CBT 2015년10월10일(5회)(6898)

최강 자격증 기출문제 전자문제집 CBT : www.comcbt.com


전자문제집 CBT란?

종이 문제집이 아닌 인터넷으로 문제를 풀고 자동으로 채점하며 모의고사, 오답 노트, 해설까지 제공하는
무료 기출문제 학습 프로그램으로 실제 상설검정에서 사용하는 OMR 형식의 CBT를 제공합니다.


최신 전자캐드기능사 필기 기출문제 : [다운로드]

1과목 : 전기전자공학(대략구분)


1. 모놀리식(Monolithic) 집적 회로(IC)의 특징으로 적합하지 않은 것은?
     1. 제조 단가가 저렴하다.
     2. 높은 신뢰도를 가진다.
     3. 대량생산이 가능하고 소형화, 경량화 등의 특징을 가진다.
     4. 높은 정밀도가 요구되는 아날로그 회로에 사용된다.

     정답 : []
     정답률 : 71%
     <문제 해설>
모놀리식은 높은 신뢰도를 가집니다
[해설작성자 : 부산전자공고 얼짱]

실리콘 단결정 기판 속에 여러 개의 능동 및 수동 소자를 만들고, 이들을 금속막으로 결선하여 구성시킨 것으로 모놀리식(IC)라고도 한다
[해설작성자 : 미친고양이]

직접 회로는 디지털 회로에 사용이 됩니다.
[해설작성자 : comcbt.com 이용자]

2. 다음 회로의 명칭은 무엇인가?

   

     1. 피어스 BC형 발진회로
     2. 피어스 BE형 발진 회로
     3. 하틀리 발진 회로
     4. 콜피츠 발진 회로

     정답 : []
     정답률 : 68%
     <문제 해설>
(1)(2)피어스 발진회로는 수정 진동자를 사용한 발진회로입니다..
수정진동자의 위치에 따라서 BE형과 BC형으로 나뉘어지며
수정 진동자가 트랜지스터의 베이스와 이미터 사이에 있으면 BE형
베이스와 콜렉터 사이에 있으면 BC형 발진회로입니다.

3. 증폭 회로에서 되먹임의 특징으로 옳지 않은 것은? (단, 음 되먹임(Negative Feedback) 증폭회로라 가정한다)
     1. 이득의 감소
     2. 주파수 특성의 개선
     3. 잡음 증가
     4. 비선형 왜곡의 감소

     정답 : []
     정답률 : 61%
     <문제 해설>
잡음이 감소합니다
[해설작성자 : 하비니]

되먹임의 특징은 이득은 감소시키지만 나머지 기능들은 효율성이 증가합니다.
즉, 잡음이 증가한다는건 말도안돼죠.
[해설작성자 : Yogusaron]

4. 빈-브리지 발진회로에 대한 특징으로 틀린 것은?
     1. 고주파에 대한 임피던스가 매우 낮아 발진주파수의 파형이 좋다.
     2. 잡음 및 신호에 대한 왜곡이 작다.
     3. 저주파 발진기 등에 많이 사용된다.
     4. 사용할 수 있는 주파수 범위가 넓다.

     정답 : []
     정답률 : 42%
     <문제 해설>
높은 입력저항을 사용하는 기본 증폭회로를 가진 발진회로입니다.    넓은 범위의 주파수발진과 낮은 왜곡레벨이 요구될 때 사용합니다. 안정도가 좋고, 주파수 가변형으로 하기 용이하기 때문에 RC 저주파 발진기의 대표적인 발진회로입니다.
[해설작성자 : comcbt.com 이용자]

5. 연산증폭기의 입력 오프셋 전압에 대한 설명으로 가장 적합한 것은?
     1. 차동출력을 0[V]가 되도록 하기 위하여 입력단자 사이에 걸어주는 전압이다.
     2. 출력전압이 무한대(∞)가 되도록 하기 위하여 입력단자 사이에 걸어주는 전압이다.
     3. 출력전압과 입력전압이 같게 될 때의 증폭기의 입력 전압이다.
     4. 두 입력단자가 접지되었을 때 두 출력단자 사이에 나타나는 직류전압의 차이다.

     정답 : []
     정답률 : 56%
     <문제 해설>
오프셋 전압은 입/출력 단자를 0으로 하기 위해 출/입력 단자에 걸어주는 전압입니다. 명명은 서로 반대입니다.
"입력"단자에 걸어주는 전압이니까 "출력"을 0으로 하기 위한 오프셋 전압입니다.
[해설작성자 : comcbt.com 이용자]

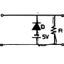
6. 다음 회로의 명칭은 무엇인가?

   

     1. 직렬 제어형 정전압 회로
     2. 병렬 제어형 정전압 회로
     3. 직렬형 정전류 회로
     4. 병렬형 정전류 회로

     정답 : []
     정답률 : 70%
     <문제 해설>
제너다이오드=정전압
트랜지스터가 병렬로 연결됨

7. 음성 신호를 펄스 부호 변조 방식(PCM)을 통해 송신 측에서 디지털 신호로 변환하는 과정을 옳은 것은?
     1. 표본화 → 양자화 → 부호화
     2. 부호화 → 양자화 → 표본화
     3. 양자화 → 부호화 → 표본화
     4. 양자화 → 표본화 → 부호화

     정답 : []
     정답률 : 69%
     <문제 해설>
표,양,부
[해설작성자 : 미친고양이]

8. 저항기의 색띠가 갈색, 검정, 주황, 은색의 순으로 표시되었을 경우에 저항 값은 얼마인가?
     1. 27~33[㏀]
     2. 9~11[㏀]
     3. 0.9~1.1[㏀]
     4. 18~22[㏀]

     정답 : []
     정답률 : 73%
     <문제 해설>
검정:0,갈색:1,빨강:2,주황:3,노랑:4,초록:5,파랑:6,보라:7,회색:8,흰색:9
오차:(금색:+-5%,은색:+-10%)
색이 4개일 때
1번째 자리:숫자
2번째 자리:숫자
3번째 자리:승수
4번째 자리:오차
색이 5개일 때
1번째 자리:숫자
2번째 자리:숫자
3번째 자리:숫자
4번째 자리:승수
5번째 자리:오차

이 문제는 4개의 색이므로
10x10^3+-10%=10[㏀]+-10%이므로
답은 2번이다.
[해설작성자 : 모든 자격증에 합격!]

9. JK플립플롭을 이용하여 10진 카운터를 설계할 때, 최소로 필요한 플립플롭의 수는?
     1. 1개
     2. 2개
     3. 3개
     4. 4개

     정답 : []
     정답률 : 61%
     <문제 해설>
최소한 0~9까지 나와야하는데 3비트라 하면 최고값이 111=7 이기 때문에 4비트까진 나와야한다

10. 다음 중 1[㎌]를 F로 표시하면 얼마인가?
     1. 10-3[F]
     2. 10-6[F]
     3. 10-9[F]
     4. 10-12[F]

     정답 : []
     정답률 : 78%
     <문제 해설>
10^-3 = m(밀리)
10^-6 = μ(마이크로)
10^-9 = n(나노)
10^-12 = p(피코

이 중에서는 나노가 많이 쓰이니 꼭 알아두세요
[해설작성자 : 비전동전기남]

11. 실제 펄스 파형에서 이상적인 펄스 파형의 상승하는 부분이 기준 레벨보다 높은 부분을 무엇이라 하는가?
     1. 새그(Sag)
     2. 링잉(Ringing)
     3. 오버슈트(Overshoot)
     4. 지연 시간(Delay time)

     정답 : []
     정답률 : 85%
     <문제 해설>
상승하니까 영어로 오버(Over)겠지요??
[해설작성자 : 비전동전기남]

1)새그: 정상값(180도)과 구형파 High간의 각도차
2)링잉: 펄스의 상승부분에서 진동의 정도(n차 오버슈트와 언더슈트를 합친 시간)
3)오버슈트: 문제의 답입니다.
4)지연시간: 정상값의 50%에 도달하는 데 걸리는 시간 (전기기사 제어공학의 정의입니다. 시***문제집은 10%라고 잘못 써있네요.)
[해설작성자 : comcbt.com 이용자]

12. 어떤 도체에 4[A]의 전류를 10분간 흘렸을 때 도체를 통과한 전하량 C는 얼마인가?
     1. 150
     2. 300
     3. 1,200
     4. 2,400

     정답 : []
     정답률 : 76%
     <문제 해설>
Q=IT
4*600=2400C
[해설작성자 : 공마고원탑]

13. 입력상태에서 따라 출력 상태를 안정하게 유지하는 멀티 바이브레이터는?
     1. 비안정 멀티 바이브레이터
     2. 단안정 멀티 바이브레이터
     3. 쌍안정 멀티 바이브레이터
     4. 모든 형식의 멀티 바이브레이터

     정답 : []
     정답률 : 68%
     <문제 해설>
쌍으로 안정해야지 정말로 안정하게 유지할 수 있죠..
[해설작성자 : 비전동전기남]

안정회로의 구분은 결합되는 회로의 구성으로 결정됩니다. 참고로 비안정=발진=구형파 클럭
비안정은 안정하지 않아 외부에서 별도 입력없이 발진,
단안정은 안정+비안정으로 외부 입력할 때만 발진(외부신호 1번=발진후 안정),
쌍안정은 외부에서 발진 입력을 줄때만 발진합니다.
[해설작성자 : comcbt.com 이용자]

14. 전원 회로의 구조가 순서대로 옳게 구성된 것은?
     1. 정류회로→변압회로→평활회로→정전압회로
     2. 변압회로→평활회로→정류회로→정전압회로
     3. 변압회로→정류회로→평활회로→정전압회로
     4. 정류회로→평활회로→변압회로→정전압회로

     정답 : []
     정답률 : 60%
     <문제 해설>
변,정,평,정
[해설작성자 : 미친고양이]

이제 220V의 교류 전압을 정류하기 편한 크기로 변경시켜주는 변압회로를 지나서
교류를 직류로 바꾸어주는 정류회로,
띄엄띄엄있는 직류 전기를 평평하게 만들어주는 평활회로를 지나
마지막으로 안정시켜주는 정전압회로 입니다.
[해설작성자 : 비전동전기남]

15. 다음과 같은 회로의 명칭은?

    

     1. 클램퍼(Clamper) 회로
     2. 슬라이서(Slicer) 회로
     3. 클리퍼(Clipper) 회로
     4. 리미터(Limiter) 회로

     정답 : []
     정답률 : 65%
     <문제 해설>
CR은 클램퍼 입니다.
RC는 클리퍼 입니다,
[해설작성자 : 비전동전기남]

문제와 상관없지만 클리퍼 회로는 C가 없어서 기준전위이상 그냥 잘라냅니다.
클램퍼는 전체 오프셋 전압을 오르내려야 하기 때문에 C를 통해 충방전시킬 필요가 있습니다.
[해설작성자 : comcbt.com 이용자]

2과목 : 전자계산기일반(대략구분)


16. 다음 중 공통 컬렉터 증폭기에 대한 설명으로 적합하지 않은 것은?
     1. 전압이득은 대략 1이다.
     2. 입력저항이 높아 버퍼로 많이 사용된다.
     3. 입력과 출력의 위상은 동상이다.
     4. 입력은 결합 커패시터를 통하여 이미터에 인가한다.

     정답 : []
     정답률 : 43%
     <문제 해설>
공통 컬렉터 증폭기의 특징
- 전압 이득이 1 이하이다
- 입략 임피던스가 매우 높고 출력 임피던스가 낮으므로 정합을 위한 버퍼단에 사용한다
- 100[%] 음궤한 증폭 회로이다
- 입력과 출력의 위상은 같다
[해설작성자 : 삼마고 뿌까뿌까]

17. 원시 언어로 작성한 프로그램을 동일한 내용의 목적 프로그램으로 번역하는 프로그램을 무엇이라 하는가?
     1. 기계어
     2. 파스칼
     3. 컴파일러
     4. 소스 프로그램

     정답 : []
     정답률 : 72%
     <문제 해설>
번역하는 프로그램, 언어 - 컴파일러
[해설작성자 : 비전동무야호남]

18. 컴퓨터의 중앙처리장치와 주기억 장치 간에 발생하는 속도차를 보완하기 위해 개발된 것은?
     1. 입·출력장치
     2. 연산장치
     3. 보조기억장치
     4. 캐시기억장치

     정답 : []
     정답률 : 78%
     <문제 해설>
속도 차 보완은 무조건 캐시입니다
캐시기억장치
[해설작성자 : 비전동전기남]

19. 다음 문자 데이터 코드들이 표현할 수 있는 데이터의 개수가 잘못 연결된 것은? (단, 패리티 비트는 제외한다)
     1. 2진화 10진수(BCD) 코드 : 64개
     2. 아스키(ASCII) 코드 : 128개
     3. 확장 2진화 10진(EBCDIC) 코드 : 256개
     4. 3-초과 (3-Excess) 코드 : 512개

     정답 : []
     정답률 : 65%
     <문제 해설>
1)BCD 코드: 64개의 문자를 표현
2)아스키 코드: 7[bit]코드로 128 문자를 표현
3)확장 2진화 10진 코드: 16[bit] BCD 코드를 확장한 것으로 2^8=256 문자를 표현
4)3초과 코드:BCD 코드에 십진수 3을 더해 만든것으로 BCD와 같은 64개의 문자를 표현
[해설작성자 : comcbt.com 이용자]

20. 1,024×8[bit]의 용량을 가진 ROM에서 Address Bus와 Data Bus의 필요한 선로수는?
     1. Address Bus=8선, Data Bus=8선
     2. Address Bus=8선, Data Bus=10선
     3. Address Bus=10선, Data Bus=8선
     4. Address Bus=1,024선, Data Bus=8선

     정답 : []
     정답률 : 59%
     <문제 해설>
Address Bus=1024=2의 10승
Data Bus=8

21. 다음 표준 C언어로 작성한 프로그램의 연산결과는?

    

     1. 6
     2. 8
     3. 24
     4. 14

     정답 : []
     정답률 : 52%
     <문제 해설>
[관리자 입니다.
C언어에서 ^은 지수승을 나타내는게 아닙니다.
XOR 비트 연산을 나타냅니다.

10진수 10과 12를 2진수로 나타내서 두 숫자를 비트 연산 방식의 XOR을 하라는 뜻입니다.

2진수로 나타내보면

1010    <-- 10진수 10에 해당
1100    <-- 10진수 12에 해당
-------------
0110    <-- 10진수 6에 해당

이렇게 답이 나옵니다.]

22. 지정 어드레스로 분기하고, 분기한 후에 그 명령으로 되돌아오는 명령은?
     1. 강제 인터럽트 명령
     2. 조건부 분기 명령
     3. 서브루틴 분기 명령
     4. 분기 명령

     정답 : []
     정답률 : 64%
     <문제 해설>
다시 되돌아 오는 것...
계속 반복되는 것을 의미하죠. 우리가 말하는 루틴도 계속 반복된다는 뜻이니까 서브루틴이 답입니다.
[해설작성자 : 비전동전기남]

23. 주기억장치로 사용되는 반도체 기억소자 중에서 읽기, 쓰기를 자유롭게 할 수 있는 것은?
     1. RAM
     2. ROM
     3. EP-ROM
     4. PAL

     정답 : []
     정답률 : 71%
     <문제 해설>
읽기와 쓰기가 가능한 기억소자는 램(RAM)입니다.
반대로 읽기만 가능한 기억소자는 롬(ROM : Read Only Memory)입니다.
[해설작성자 : 비전동전기남]

24. 다음 중 10진수 (-7)을 부호화 절대치법에 의한 이진수 표현으로 옳은 것은?
     1. 10000111
     2. 10000110
     3. 10000101
     4. 10000100

     정답 : []
     정답률 : 67%
     <문제 해설>
마이너스니까 맨 앞에 1을 붙이고, 7을 이진수로 표현하면 0111이 되니 답은 1번입니다.
[해설작성자 : 비전동무야호남]

25. 컴퓨터 내의 입출력 장치들 중에서 입출력 성능이 높은 것에서 낮은 순으로 바르게 나열된 것은?
     1. 인터페이스-채널-DMA
     2. DMA-채널-인터페이스
     3. 채널-DMA-인터페이스
     4. 인터페이스-DMA-채널

     정답 : []
     정답률 : 56%
     <문제 해설>
채널이 가장 높고, 그 다음은 직접 메모리 접근인 DMA(Direct Memory Access), 그리고 인터페이스 입니다.
[해설작성자 : 비전동전기ㅏㄴㅁ]

26. 디코더(Decoder)는 일반적으로 어떤 게이트를 사용하여 만들 수 있는가?
     1. NAND, NOR
     2. AND, NOT
     3. OR, NOR
     4. NOT, NAND

     정답 : []
     정답률 : 67%
     <문제 해설>
디코더는 AND게이트와 NOT 게이트를 이용하여 만들 수 있습니다.
[해설작성자 : 비전동무야호남]

27. 데이터의 크기를 작은 것부터 큰 순서로 바르게 나열한 것은?
     1. Bit - Word - Byte - Field
     2. Bit - Byte - Field - Word
     3. Bit - Byte - Word - Field
     4. Bit - Word - Field - Byte

     정답 : []
     정답률 : 68%
     <문제 해설>
비트 → 바이트 → 워드(단어) → 필드 → 레코드(논리) → 파일 → 데이터베이스
[해설작성자 : 구전공김현송vs현서]

28. 마이크로프로세서의 주소지정방식 중 짧은 길이의 오퍼랜드로 긴 주소에 접근할 때 사용되는 방식은?
     1. 직접 주소 지정 방식
     2. 간접 주소 지정 방식
     3. 레지스터 주소 지정 방식
     4. 즉시 주소 지정 방식

     정답 : []
     정답률 : 51%
     <문제 해설>
긴 주소에 접근할 때 사용하는 방식은 간접 주소 지정 방식 입니다.
[해설작성자 : 비전동전기남]

29. 다음 중 표준규격에 대한 설명으로 틀린 것은?
     1. SNV는 스위스 규격을 말한다.
     2. 전기 부문의 KS 분류기호는 KS B이다.
     3. 국제규격이란 국제적인 공동이익을 추구하기 위해 여러 나라가 협의하여 심의 규정한 규격이다.
     4. ISO는 국제적으로 통일된 규격의 제정과 실천의 촉진을 위해 설립된 기구이다.

     정답 : []
     정답률 : 75%
     <문제 해설>
KSB 의경우 기계 KS분류입니다.
전기의경우 KSC 입니다.
[해설작성자 : 열공합격]

30. 부품 선정 시의 중요사항이 아닌 것은?
     1. 부품의 단가
     2. 납품 조건
     3. 부품외형의 색상
     4. 부품의 신뢰성

     정답 : []
     정답률 : 76%
     <문제 해설>
색깔은 색띠외에는 별로 중요하지 않아요~
[해설작성자 : 기여미혀니꿍]

31. 콘덴서에 “102K”라고 기재되어 있을 때 정전용량 값과 허용오차로 옳은 것은?
     1. 0.0001[㎌], ±10[%]
     2. 0.001[㎌], ±10[%]
     3. 0.1[㎌], ±0.25[%]
     4. 0.0022[㎌], ±20[%]

     정답 : []
     정답률 : 66%
     <문제 해설>
콘덴서라고도 불리는 커패시터의 용량을 구하기 위해서는 먼저 피코(p)의 단위인 1 * 10^-12 를 깔아두어야 합니다.
102K의 첫번 째, 두 번째는 유효숫자를, 세 번째 숫자의 2는 10의 승수를, 마지막 K는 허용오차를 나타냅니다.
따라서 계산 식은
1 * 10^-12 * 10 * 10^2     입니다
계산해보면 0.001[㎌] 가 됩니다.
참고로 허용오차는 K = 10% , M = 20% 입니다.
[해설작성자 : 비전동전기남]

102K
콘덴서 용량 기본단위 pF
오차율은 마지막 알파벳에 따라 다름
ex)K=10%, M=20%

(용량 구하는 식) = (맨 앞 숫자 2개) * 10^(3번째 숫자) + (오차율)
102K를 대입해보면..
10 * 10^2 + 10% = 1000pF + 10%
uF 단위로 바꾸면
0.001pF + 10%
[해설작성자 : easy]

32. 입·출력 장치로 모두 이용되고 있는 것은?
     1. 마우스
     2. 플로터
     3. 터치스크린
     4. 디지타이저와 스타일러스 펜

     정답 : []
     정답률 : 73%
     <문제 해설>
터치스크린은 터치해서 입력하기도 하고 화면을 보여주기도 합니다.
[해설작성자 : 비전동전기남]

33. PCB의 제조 공정 중에서 원하는 부품을 삽입하거나, 회로를 연결하는 비아(Via)를 기계적으로 가공하는 과정은?
     1. 라미네이트
     2. 노광
     3. 드릴
     4. 도금

     정답 : []
     정답률 : 64%
     <문제 해설>
부품을 삽입하는 '홀'을 뚫거나, '비아홀'을 뚫는 공정명은 드릴입니다.
[해설작성자 : comcbt.com 이용자]

34. 능동 부품(Active Component)의 능동적 기능이라고 볼 수 없는 것은?
     1. 신호의 증폭
     2. 신호의 발진
     3. 신호의 중계
     4. 신호의 변환

     정답 : []
     정답률 : 67%
     <문제 해설>
신호의 중계는 능동이 아닌 수동적 기능입니다.
[해설작성자 : 비전동무야호남]

35. 현재 위치를 기준으로 X축과 Y축 방향으로 이동하여 좌표를 지정하는 방법은?
     1. 극좌표
     2. 절대좌표
     3. 상대좌표
     4. 원통좌표

     정답 : []
     정답률 : 53%
     <문제 해설>
절대좌표 : 원점기준
상대좌표 : 현재 위치 기준
[해설작성자 : 구전공김현송vs현서]

36. KS 규격의 부문별 분류에서 전기, 전자에 속하는 것은?
     1. KS A
     2. KS B
     3. KS C
     4. KS D

     정답 : []
     정답률 : 73%
     <문제 해설>
KS A - 기본부문
KS B - 기계부문
KS C - 전기부문
KS D - 철강부문
KS E - 광산부문
[해설작성자 : 비전동무야호남]

37. 전자회로 설계 시 작업내용에 따라 분류할 경우 다른 하나는?
     1. 배선패턴 설계과정
     2. 부품표 작성과정
     3. 부품의 배치과정
     4. PCB 검사과정

     정답 : []
     정답률 : 63%
     <문제 해설>
4) PCB 검사과정은 PCB 제조공정중 마지막 작업입니다.
[해설작성자 : comcbt.com 이용자]

38. 우리나라에서 규정된 한국산업규격 중에서 제도통칙(KS A 0005)에서 규정하고 있지 않은 것은?
     1. 도면의 크기
     2. 제품의 형상
     3. 투상법
     4. 작도일반

     정답 : []
     정답률 : 47%
     <문제 해설>
제품의 형상은 규격이 따로 없죠.
[해설작성자 : 비전동전기남]

39. 7세그먼트(FND) 디스플레이가 동작할 때 빛을 내는 것은?
     1. 발광 다이오드
     2. 부저
     3. 릴레이
     4. 저항

     정답 : []
     정답률 : 85%
     <문제 해설>
위 보기 중에서 빛을 내는 것은 발광 다이오드(LED)뿐이죠??
[해설작성자 : 비전동전기남]

40. 도면의 종류를 사용 목적에 따라 분류했을 때 속하지 않는 것은?
     1. 제작도
     2. 주문도
     3. 견적도
     4. 조립도

     정답 : []
     정답률 : 60%
     <문제 해설>
사용 목적에 따른 분류:견적도,제작도,주문도,승인도 등
내용에 따른 분류:조립도,부품도,회로도,공정도 등
[해설작성자 : 김]

41. 다층 프린트 배선에서 도금 도통 홀과 전기적 접속을 하지 않도록 하기 위해 도금 도통 홀을 감싸는 부분에 도체 패턴의 도전재료가 없도록 한 영역은?
     1. Land
     2. Access Hole
     3. Clearance Hole
     4. Location Hole

     정답 : []
     정답률 : 58%
     <문제 해설>
도체 패턴의 도전 재료가 '없도록' 한 영역
clearance = 없애다, 정리하다
[해설작성자 : 신삼]

42. 개인용 컴퓨터를 이용한 CAD에 대하여 잘못된 설명은?
     1. 가격이 저렴하므로 투자액이 적다.
     2. 시스템이 간편하므로 실용화가 쉽다.
     3. 설계에서 많은 비율을 차지하는 제도에 유리하다.
     4. 상급 시스템을 도입하면 보조 시스템으로서 효과는 없다.

     정답 : []
     정답률 : 71%
     <문제 해설>
상급 시스템을 도입하더라도 보조시스템으로 효과가 있습니다.
[해설작성자 : comcbt.com 이용자]

43. 다음 삼각자의 조합으로 나타낼 수 없는 것은?
     1. 15°
     2. 75°
     3. 90°
     4. 130°

     정답 : []
     정답률 : 74%
     <문제 해설>
오로지 30, 45, 60, 90도를 이용해서 130을 만들 수 없다.

15=45-30
75=30+45
90=90
[해설작성자 : 공공뿌]

44. CAD의 종류는 크게 전자회로설계용과 기구설계용이 있다. 이 중에서 전자회로설계용 CAD는 무엇인가?
     1. OrCAD
     2. IntelliCAD
     3. UniCAD
     4. FelixCAD

     정답 : []
     정답률 : 76%
     <문제 해설>
필기를 취득하고 나면 실기로 OR CAD를 할 겁니다.
[해설작성자 : 비전동전기남]

45. 다음 중 전자 또는 통신기기 등의 전체적인 동작이나 기능을 블록으로 그려 도면에 표시한 것은?
     1. 회로도
     2. 접속도
     3. 블록선도
     4. 배선도

     정답 : []
     정답률 : 73%
     <문제 해설>
블록으로 도면에 표시한건 블록선도 입니다.
[해설작성자 : 콜드카우]

46. 다음 중 회로를 그리기 위한 환경 설정과 관계없는 것은?
     1. 도면의 크기
     2. 그리드 표시
     3. 설계 개체 요소의 색상
     4. 라우팅 패턴 굵기

     정답 : []
     정답률 : 34%
     <문제 해설>
PADS에서 패턴 굵기에 따라 임피던스가 달라지기 때문
[해설작성자 : PADS]

Schematic(회로도) 프로그램에서는 배선(패턴)의 굵기나 형상을 설계할 수 없습니다. 이는 PCB 설계프로그램에서 하는 일입니다.
[해설작성자 : comcbt.com 이용자]

47. 회로도 작성 시 고려사항 중 옳은 것은?
     1. 대각선과 곡선은 가급적 사용하지 않는다.
     2. 선과 선이 전기적으로 접속되는 곳에는 점선표시를 한다.
     3. 주회로와 보조회로가 있는 경우에는 보조회로를 중심으로 그린다.
     4. 신호의 흐름은 우측에서 좌측으로, 위에서 아래로 그린다.

     정답 : []
     정답률 : 51%
     <문제 해설>
주회로와 보조회로가 있을때에는 주회로 중심으로 그립니다.
[해설작성자 : .]

선과 선이 전기접으로 접속되는 곳은 점으로 표시를 합니다.
주회로와 보조회로가 있을때에는 주회로 중심으로 그립니다.
신호의 흐름은 좌측에서 우측으로, 위에서 아래로 그립니다.
[해설작성자 : 비전동무야호남]

48. 다음은 보드 외곽선(Board Outline)그리기의 한 예이다. X, Y 좌표 값을 보기와 같이 입력했을 경우 ㉠㉡㉢㉣에 들어갈 좌표 값은?

    

     1. ㉠ 150, ㉡ 150, ㉢ 150, ㉣ 100
     2. ㉠ 100, ㉡ 100, ㉢ 100, ㉣ 50
     3. ㉠ 50, ㉡ 150, ㉢ 50, ㉣ 50
     4. ㉠ 100, ㉡ 150, ㉢ 50, ㉣ 150

     정답 : []
     정답률 : 71%
     <문제 해설>
X,Y좌표에서 사각형을 그려서 첫째점으로 복귀하는 것을 그려보시면 쉽게 이해되십니다.
밑변과 우측변을 그렸으니 윗변의 좌측점(50,150)->다시 첫째점의 회귀(50,50)입니다.
[해설작성자 : comcbt.com 이용자]

49. 각 층간 절연 재질로 분리 접착되어진 표면 도체층을 포함하여 3층 이상에 도체패턴이 있는 프린트 배선판은?
     1. 다층 프린트 배선판(Multilayer Printed Circuit Board)
     2. 양면 프린트 배선판(Double-sided Printed Circuit Board)
     3. 프린트 회로(Printed Circuit)
     4. 마더 보드(Mother Board)

     정답 : []
     정답률 : 74%
     <문제 해설>
다층이라고했으니 여러 3층 이상에 부합합니다.
[해설작성자 : 비전동전기남]

50. 인쇄회로기판 설계 시의 고려사항과 거리가 먼 것은?
     1. 부품 배치
     2. 부품 높이와 배열
     3. 부품의 가격
     4. 부품 부착 간격

     정답 : []
     정답률 : 74%
     <문제 해설>
부품의 가격은 설계시의 고려사항이 아닙니다.
굳이 말하자면 견적 시의 고려사항이죠.
[해설작성자 : 비전동전기남]

51. 다음 중 제도용지에 대한 설명으로 틀린 것은?
     1. 제도 용지의 가로와 세로의 비는 1:√2이다.
     2. A1용지보다 B1용지가 작다.
     3. A1용지를 반으로 접으면 A2 크기가 된다.
     4. B1용지를 두 장을 붙이면 B0 크기가 된다.

     정답 : []
     정답률 : 65%
     <문제 해설>
제도 용지의 크기는 알파벳이 뒤로갈수록 숫자가 작아질수록 커집니다.
[해설작성자 : 곧 시험봄]

52. 각종 전자기기, 유무선 통신기기 및 장치의 접속관계를 표시하는 기호는?
     1. 전기용 기호(KSC0102)
     2. 옥내배선용 기호(KSC0301)
     3. 2값 논리소자 기호(KSX0201)
     4. 시퀀스 기호(KSC0103)

     정답 : []
     정답률 : 55%
     <문제 해설>
1)전기용 기호:정답입니다. 이외 전력용기호와 전기/통신용 기호도 정의하고 있습니다.
2)옥내배선용 기호: 주택과 건물의 옥내배선의 기호를 정의합니다.
3)논리소자기호: 정보통신 KS입니다. 논리소자(게이트)를 정의하고 있습니다.
4)시퀀스 기호: 시퀀스 래더 프로그램의 기호에 대해 정의하고 있습니다.
[해설작성자 : comcbt.com 이용자]

53. 인쇄회로 기판의 패턴 동박에 의한 인덕턴스 값이 0.01[μH]가 발생하였다. 주파수 10[MHz]에서 기판에 영향을 주는 리액턴스(X) 값은?
     1. 62.8[Ω]
     2. 6.28[Ω]
     3. 0.628[Ω]
     4. 0.0628[Ω]

     정답 : []
     정답률 : 43%
     <문제 해설>
XL=2파이fL
    =2*3.14*10*10x6*0.01*10x-6
    =0.628
[해설작성자 : 할렐루야]

54. PCB에서 패턴이 두께가 2[mm], 길이가 4[cm], 패턴의 저항이 1.72×10-5[Ω]일 때 패턴의 폭은 몇 [cm]인가? (단, 20[℃]에서 구리의 저항률 1.72×10-8[Ω·m]이다)
     1. 1
     2. 2
     3. 3
     4. 4

     정답 : []
     정답률 : 50%
     <문제 해설>
예전문제에서 저항과 저항률을 같은 [Ω]단위를 썼던게 있었습니다. 저항률은 본문제의 단위가 개념이 맞습니다. 문제를 없애버린게 아니라 바르게 고쳐서 내는 걸 보면 종종 앞으로도 출제가 된다는 말입니다.
정답에 문제를 끼워 맞춰서 뜬금없이 저항을 1/1000로 줄일게 아니라, 우선 모든 단위를 m로 통일시켜 봅시다.
R저항=ρ저항률*L길이/S면적(A*B) ->
A(폭)[m]=(ρ*L)/(R*B두께)=(1.72×10^-8×4×10^-2)/(1.72×10^-5×2×10^-3)=0.02[m]=2[cm]가 됩니다.
mm로 통일하셔도 답은 20mm가 나옵니다. 본문제는 단위를 통일시켜 계산하는 능력을 보는 겁니다.
참고로 면적 1[m^2]=(100cm)^2=10^4[cm^2]=10^6[mm^2]으로 조심해서 계산하십시오
[해설작성자 : comcbt.com 이용자]

55. 프린트 배선판의 끝부분에 형성된 프린트 콘텍트를 의미하는 것은?
     1. Edge Board Contact
     2. Printed Contact
     3. Grid
     4. Component Side

     정답 : []
     정답률 : 50%
     <문제 해설>
끝부분을 영어로 엣지(Edge)라고 하죠.
[해설작성자 : 비전동전기남]

56. 다음 중 자동제도의 특징으로 볼 수 없는 것은?
     1. 완성된 도면의 수정은 불가능하다.
     2. 인적자원과 시간을 절약할 수 있으며 신뢰도가 높다.
     3. 자동제도를 적용함으로써 제조오차를 줄일 수 있다.
     4. 정밀한 도형이나 곡선이 많은 제도에 이용하면 효과적이다.

     정답 : []
     정답률 : 70%
     <문제 해설>
완성된 도면도 수정 할 수 있습니다.
[해설작성자 : 비전동전기남]

57. 다음 제도용구 중 선, 원주 등을 같은 길이로 분할하는 데 사용되는 것은?
     1. 축척자
     2. 형판
     3. 디바이더
     4. 자유곡선자

     정답 : []
     정답률 : 59%
     <문제 해설>
축적자: 길이를 잴 때 또는 길이를 줄여 그을때 사용.
형판(원형판): 반투명 플라스틱의 얇은 판에 원, 타원 등의 도형이나
                            원하는 모양을 그릴수있다.
자유곡선자:납과 고무로 만들고 자유롭게 구부린다 원호나 곡선을 그릴때 사용
[해설작성자 : 할렐루야]

분할하다의 영어는 DIVIDE(디바이드)입니다.
이것을 알면 나눠주는 것이라는 디바이더가 답이죠.
[해설작성자 : 비전동전기남]

58. PCB Design에서 설계 오류를 검사하는 기능은?
     1. Netlist
     2. Zoom
     3. Edit
     4. DRC

     정답 : []
     정답률 : 71%
     <문제 해설>
DRC는 Design Rule Check의 약자입니다~
[해설작성자 : 인마고]

59. 다음 중 집적도에 의한 IC분류로 옳은 것은?
     1. MSI : 100 소자 미만
     2. LSI : 100~1,000 소자
     3. SSI : 1,000~10,000 소자
     4. VLSI : 10,000 소자 이상

     정답 : []
     정답률 : 69%
     <문제 해설>
SSI:100 미만
MSI:100~1000
LSI:1000~10000
VLSI:10만~100만
UVLSI:100만 이상

앞글자 SM LVU로 외우세요!! (SM엔터LOVE -> SM LUV -> SM LVU)
[해설작성자 : 잔머리대마왕]

60. 인쇄회로기판(PCB)의 패턴 설계 시 유의사항에 대한 설명으로 옳은 것은?
     1. 패턴은 가급적 가늘고 길게 한다.
     2. 회로의 각 접지점마다 패턴을 설계하는 다점 접지방식으로 패턴 설계를 한다.
     3. 개별 회로의 특징이 다를지라도 기판은 하나로 통합하여 설계한다.
     4. 패턴 사이의 간격을 늘리거나 차폐를 행한다.

     정답 : []
     정답률 : 46%
     <문제 해설>
1. 패턴은 가급적 굵고 짧게
2. 기판에서 하나의 접지점을 정하는 1점 접지방식으로 설계
3. 취급하는 전력용량, 주파수대역 및 신호형태별로 기판을 나누거나 커넥터를 분리하여 설계
4. 부유용량을 감소시키기 위하여 패턴사이의 간격을 떼어놓거나 차폐.
[해설작성자 : comcbt.com 이용자]

4. 부유용량을 감소시키기 위하여 패턴사이의 간격을 늘리거나 차폐.
[해설작성자 : comcbt.com 이용자]


정 답 지

1

2

3

4

5

6

7

8

9

10

11

12

13

14

15

16

17

18

19

20

21

22

23

24

25

26

27

28

29

30

31

32

33

34

35

36

37

38

39

40

41

42

43

44

45

46

47

48

49

50

51

52

53

54

55

56

57

58

59

60

전자캐드기능사 필기 기출문제(해설) 및 CBT 2015년10월10일(5회)을 이용해 주셔서 감사합니다.
전자캐드기능사, 전자캐드, 전자, 캐드, 기능사, 필기, 기출문제, 전자문제집, CBT, 온라인, 모의테스트, 모의고사



List of Articles
번호 제목 글쓴이 날짜 조회 수
14021 생산자동화기능사 필기 기출문제(해설) 및 CBT 2012년10월20일(5회)(6916) new 좋은아빠되기 2025.11.25 0
14020 생산자동화기능사 필기 기출문제(해설) 및 CBT 2012년07월22일(4회)(6915) new 좋은아빠되기 2025.11.25 0
14019 생산자동화기능사 필기 기출문제(해설) 및 CBT 2011년10월09일(5회)(6914) new 좋은아빠되기 2025.11.25 0
14018 생산자동화기능사 필기 기출문제(해설) 및 CBT 2011년07월31일(4회)(6913) new 좋은아빠되기 2025.11.25 0
14017 생산자동화기능사 필기 기출문제(해설) 및 CBT 2010년10월03일(5회)(6912) new 좋은아빠되기 2025.11.25 0
14016 생산자동화기능사 필기 기출문제(해설) 및 CBT 2009년07월12일(4회)(6911) new 좋은아빠되기 2025.11.25 0
14015 생산자동화기능사 필기 기출문제(해설) 및 CBT 2008년10월05일(5회)(6910) new 좋은아빠되기 2025.11.25 0
14014 생산자동화기능사 필기 기출문제(해설) 및 CBT 2008년07월13일(4회)(6909) new 좋은아빠되기 2025.11.25 0
14013 생산자동화기능사 필기 기출문제(해설) 및 CBT 2007년07월15일(4회)(6908) new 좋은아빠되기 2025.11.25 0
14012 생산자동화기능사 필기 기출문제(해설) 및 CBT 2006년10월01일(5회)(6907) new 좋은아빠되기 2025.11.25 0
14011 생산자동화기능사 필기 기출문제(해설) 및 CBT 2006년07월16일(4회)(6906) new 좋은아빠되기 2025.11.25 1
14010 생산자동화기능사 필기 기출문제(해설) 및 CBT 2005년07월17일(4회)(6905) new 좋은아빠되기 2025.11.25 1
14009 생산자동화기능사 필기 기출문제(해설) 및 CBT 2004년07월18일(4회)(6904) new 좋은아빠되기 2025.11.25 1
14008 생산자동화기능사 필기 기출문제(해설) 및 CBT 2003년07월20일(4회)(6903) new 좋은아빠되기 2025.11.25 1
14007 생산자동화기능사 필기 기출문제(해설) 및 CBT 2002년12월08일(5회)(6902) new 좋은아빠되기 2025.11.25 1
14006 전자캐드기능사 필기 기출문제(해설) 및 CBT 2016년07월10일(4회)(6901) new 좋은아빠되기 2025.11.25 0
14005 전자캐드기능사 필기 기출문제(해설) 및 CBT 2016년04월02일(2회)(6900) new 좋은아빠되기 2025.11.25 0
14004 전자캐드기능사 필기 기출문제(해설) 및 CBT 2016년01월24일(1회)(6899) new 좋은아빠되기 2025.11.25 0
» 전자캐드기능사 필기 기출문제(해설) 및 CBT 2015년10월10일(5회)(6898) new 좋은아빠되기 2025.11.25 0
14002 전자캐드기능사 필기 기출문제(해설) 및 CBT 2015년07월19일(4회)(6897) new 좋은아빠되기 2025.11.25 0
Board Pagination Prev 1 ... 57 58 59 60 61 62 63 64 65 66 ... 763 Next
/ 763