자격증 필기 기출문제



전자계산기기능사 필기 기출문제(해설) 및 CBT 2004년04월04일(2회)(5639)

최강 자격증 기출문제 전자문제집 CBT : www.comcbt.com


전자문제집 CBT란?

종이 문제집이 아닌 인터넷으로 문제를 풀고 자동으로 채점하며 모의고사, 오답 노트, 해설까지 제공하는
무료 기출문제 학습 프로그램으로 실제 상설검정에서 사용하는 OMR 형식의 CBT를 제공합니다.


최신 전자계산기기능사 필기 기출문제 : [다운로드]

1과목 : 전기전자공학


1. 다이오드를 사용한 브리지정류회로는 주로 어떤 정류회로인가?
     가. 반파 정류회로
     나. 전파 정류회로
     다. 배전압 정류회로
     라. 정전압 정류회로

     정답 : []
     정답률 : 47%

2. 10Ω과 15Ω의 저항을 병렬로 연결하고 50A의 전류를 흘렸을 때 15Ω에 흐르는 전류는 몇 A인가?
     가. 10
     나. 20
     다. 30
     라. 40

     정답 : []
     정답률 : 46%

3. 전지 등의 기전력을 정확하게 측정하기 위하여 피측정 회로로부터 전류의 공급을 받지 않고 측정하는 방법은?
     가. 전압강하법
     나. 전위차계법
     다. 검류계법
     라. 브리지법

     정답 : []
     정답률 : 33%

4. Y결선 회로의 선간전압이 210V인 3상평형에서 상전압은약 몇 V인가?
     가. 110
     나. 121
     다. 297
     라. 364

     정답 : []
     정답률 : 39%

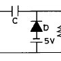
5. 그림과 같은 트랜지스터회로의 동작설명 중 옳지 않은 것은?

   

     가. R1이 단선되면 베이스 전압이 상승하여 컬렉터전류가 증가한다.
     나. R2가 단선되면 베이스 전류가 흐르지 않게 되어 컬렉터전압은 증가한다.
     다. R3가 단선되면 이미터전류가 흐르지 않게 되어 컬렉터전압은 저하한다.
     라. TR의 베이스-이미터 간에는 R1과 R3의 단자전압의 차가 걸리게 된다.

     정답 : []
     정답률 : 48%

6. 그림(a)에 입력으로 그림(b)를 넣을 때 출력은? (단, A는 연산증폭기이다.)

   

     가. 펄스전압
     나. 스탭전압
     다. 크기가 직선적으로 증가하는 전압
     라. 크기가 지수함수적으로 감소하는 전압

     정답 : []
     정답률 : 41%
     <문제 해설>
위 회로는 적분회로이다.
y=a꼴의 상수함수를 적분하면 y=ax+c꼴의 일차함수가 된다. (a > 0)
따라서 출력은 직선적으로 증가한다.
[해설작성자 : ㅇㅇ]

7. UJT를 사용한 펄스 발생회로이다. 펄스 출력파형은?

   

     가.
     나.
     다.
     라.

     정답 : []
     정답률 : 41%

8. 주파수변조에서 변조지수는? (단, fm : 변조주파수, fo : 반송주파수, △f : 반송주파수 부터의 편이이다.)
     가. (fo-△f)/fm
     나. fm/(fo-△f)
     다. fo/fm
     라. △f/fm

     정답 : []
     정답률 : 41%

9. 주어진 회로의 정현파 입력에 대한 출력파형은? (단, Vin의 최대값>VB이다.)

   

     가.
     나.
     다.
     라.

     정답 : []
     정답률 : 49%

10. 그림과 같은 회로의 입력측에 정현파를 가할 때 출력측에 나오는 파형은 어떻게 되는가? (단, vi=Vmsinωt[V]이고 Vm>Vʀ이다.)

    

     가.
     나.
     다.
     라.

     정답 : []
     정답률 : 58%

2과목 : 전자계산기구조


11. 자료가 리스트에 첨가되는 순서에서 그 반대의 순서대로만 처리 가능한 것을 LIFO 리스트라 하는데 이것을 무엇이라 부르는가?
     가. 큐(Queue)
     나. 스택(Stack)
     다. 데크(Deque)
     라. 피포(FIFO)

     정답 : []
     정답률 : 69%

12. 입력단자와 출력단자는 각각 하나이며, 입력단자가 1이면 출력 단자는 0이 되고, 입력단자가 0이면 출력 단자가 1이 되는 회로는?
     가. 플립플롭 회로
     나. NOT 회로
     다. OR 회로
     라. AND 회로

     정답 : []
     정답률 : 74%
     <문제 해설>
입력값과 반대기 때문에 NOT회로이다.
[해설작성자 : 레자바지 내말맞지 ]

13. 3K Word Memory의 실제 Word 수는?
     가. 3000
     나. 3072
     다. 4056
     라. 4096

     정답 : []
     정답률 : 69%
     <문제 해설>
K=1024
3K=3×1024=3072
[해설작성자 : 기능사공부중]

14. 일부분의 비트 또는 문자를 지울 때 사용하는 연산은?
     가. OR
     나. AND
     다. MOVE
     라. SHIFT

     정답 : []
     정답률 : 65%

15. 마이크로 오퍼레이션에 대한 다음 정의 중 옳은 것은?
     가. 레지스터 상호간에 저장된 데이터의 이동에 의해 이루어지는 동작
     나. 컴퓨터의 빠른 계산 동작
     다. 플립플롭 내에서 기억되는 동작
     라. 2진수 계산에서 쓰이는 동작

     정답 : []
     정답률 : 61%

16. 입·출력에 필요한 기능이 아닌 것은?
     가. 입·출력 버스
     나. 입·출력 인터페이스
     다. 입·출력 제어장치
     라. 입·출력 기억장치

     정답 : []
     정답률 : 34%

17. 잘못된 정보를 발견하고, 수정할 수 있도록 한 코드는?
     가. BCD 코드
     나. 해밍 코드
     다. 그레이 코드
     라. 3초과 코드

     정답 : []
     정답률 : 81%

18. 출력 장치 중에서 X축과 Y축을 움직여 종이에 그림을 그려주는 장치는?
     가. 마우스
     나. 모니터
     다. 스피커
     라. 플로터

     정답 : []
     정답률 : 85%

19. 주기억 장치로부터 제어장치로 해독할 명령을 꺼내오는 것을 무엇이라 하는가?
     가. 실행(execution)
     나. 단항 연산(unary operation)
     다. 직접 번지(direct address)
     라. 명령어 인출(instruction fetch)

     정답 : []
     정답률 : 84%

20. 보조기억장치(하드디스크)의 전체 용량을 주기억장치인 것처럼 사용하는 형태로 기억공간을 확대하여 사용하는 메모리는?
     가. RAM
     나. ROM
     다. Flash Memory
     라. Virtual Memory

     정답 : []
     정답률 : 45%

21. 2진수 (10110)2을 2의 보수로 변환한 값은?
     가. 01001
     나. 01010
     다. 11001
     라. 11010

     정답 : []
     정답률 : 72%

22. 기억장치의 종류 중 소멸성 기억장치(destructive memory)와 비소멸성 기억장치(nondestructive memory)를 가장 잘 설명한 것은?
     가. 소멸성 기억장치-전원을 꺼도 기억시킨 내용이 그대로 남아 있는 기억장치
     나. 소멸성 기억장치-전원과 관계없이 기억하는 기억장치
     다. 비소멸성 기억장치-전원을 끄면 기억내용이 지워지는 기억장치
     라. 비소멸성 기억장치-전원을 꺼도 기억시킨 내용이 남아 있는 기억장치

     정답 : []
     정답률 : 67%

23. 접속한 두 장치 사이에서 데이터의 흐름 방향이 한 방향으로 한정되어 있는 통신 방식은?
     가. Simplex 통신 방식
     나. Half duplex 통신 방식
     다. Full duplex 통신 방식
     라. Multi point 통신 방식

     정답 : []
     정답률 : 52%

24. 펄스가 입력되면 현재와 반대의 상태로 바뀌게 하는 토글(toggle) 상태를 만드는 회로는?
     가. R 플립플롭
     나. T 플립플롭
     다. RS 플립플롭
     라. JK 플립플롭

     정답 : []
     정답률 : 81%

25. 단항(unary) 연산인 것은?
     가. OR
     나. MOVE
     다. XOR
     라. AND

     정답 : []
     정답률 : 63%
     <문제 해설>
나머지는 이항 연산입니다
[해설작성자 : 전자는 심우경]

26. 근거리의 컴퓨터들을 서로 연결하여 상호간에 통신이 이루어지도록 한 것은?
     가. LAN
     나. VAN
     다. ISDN
     라. WAN

     정답 : []
     정답률 : 77%

27. 명령 코드부가 4비트, 번지부가 8비트로 이루어진 명령어 형식에서 명령어와 어드레스의 개수는?
     가. 명령어 4개, 어드레스 8개
     나. 명령어 4개, 어드레스 128개
     다. 명령어 16개, 어드레스 128개
     라. 명령어 16개, 어드레스 256개

     정답 : []
     정답률 : 51%
     <문제 해설>
2^4 과 2^8 하면 답이 나옵니다
[해설작성자 : 전자는 심우경]

28. MOS 트랜지스터를 집적한 것으로 일정 시간이 지나면 기억 내용이 지워지므로 주기적으로 재충전(Refresh)이 필요한 메모리는?
     가. DRAM
     나. SRAM
     다. PROM
     라. EPROM

     정답 : []
     정답률 : 58%
     <문제 해설>
재충전이 나오면 무조건 DRAM
[해설작성자 : 전자는 심우경]

29. 컴퓨터 내부에서 수치 자료를 표현하는 방식이 아닌 것은?
     가. 유동 소숫점 방식(floating format)
     나. 고정 소숫점 방식(fixed point)
     다. 팩 형식(pack format)
     라. ASCII

     정답 : []
     정답률 : 48%

30. 사진이나 그림 등에 빛을 쪼여 반사되는 것을 판별하여 복사하는 것처럼 이미지를 입력하는 장치는?
     가. 플로터
     나. 마우스
     다. 프린터
     라. 스캐너

     정답 : []
     정답률 : 78%

3과목 : 프로그래밍일반


31. 어셈블리어로 작성된 프로그램을 기계어로 번역하는 번역 프로그램을 의미하는 것은?
     가. 매크로
     나. 컴파일러
     다. 프리프로세서
     라. 어셈블러

     정답 : []
     정답률 : 47%

32. 명령 단위로 차례로 번역하여 즉시 실행하는 방식의 언어 번역 프로그램은?
     가. 컴파일러
     나. 운영체제
     다. 로더
     라. 인터프리터

     정답 : []
     정답률 : 34%

33. 운영체제의 제어 프로그램에 해당하지 않는 것은?
     가. 감시 프로그램
     나. 서비스 프로그램
     다. 작업관리 프로그램
     라. 자료관리 프로그램

     정답 : []
     정답률 : 56%

34. 프로그래밍 언어를 사용하여 사용자가 어떤 업무 처리를 위하여 작성한 프로그램을 의미하는 것은?
     가. 목적 프로그램
     나. 컴파일러
     다. 원시 프로그램
     라. 로더

     정답 : []
     정답률 : 34%

35. 프로그램의 번역 과정에서 발생되는 오류는?
     가. 문법적 오류
     나. 논리적 오류
     다. 의미적 오류
     라. 물리적 오류

     정답 : []
     정답률 : 58%

36. 프로그래밍 절차를 나타낸 것이다. 순서가 가장 적절한 것은?
     가. 프로그램 입력 - 논리오류 수정 - 모의자료 입력 -문법오류 수정 - 실행
     나. 프로그램 입력 - 모의자료 입력 - 논리오류 수정 -문법오류 수정 - 실행
     다. 프로그램 입력 - 문법오류 수정 - 모의자료 입력 -논리오류 수정 - 실행
     라. 프로그램 입력 - 논리오류 수정 - 문법오류 수정 -모의자료 입력 - 실행

     정답 : []
     정답률 : 28%

37. 구조적 프로그래밍의 기본구조와 거리가 먼 것은?
     가. 순차구조
     나. 선택구조
     다. 병행구조
     라. 반복구조

     정답 : []
     정답률 : 63%

38. 운영체제의 평가기준으로 거리가 먼 것은?
     가. 처리능력
     나. 사용가능도
     다. 비용
     라. 신뢰도

     정답 : []
     정답률 : 83%

39. 로더의 기능이 아닌 것은?
     가. 할당
     나. 링킹
     다. 재배치
     라. 번역

     정답 : []
     정답률 : 72%

40. 구조적 프로그래밍의 효과에 대한 설명으로 거리가 먼 것은?
     가. 프로그램의 정확도가 향상된다.
     나. 프로그램의 구조가 간결하다.
     다. 문서로서의 역할을 한다.
     라. 프로그램의 수정은 쉬우나 유지하기가 까다롭다.

     정답 : []
     정답률 : 65%

41. 다음 그림에서 논리식은?

    

     가.
     나.
     다.
     라.

     정답 : []
     정답률 : 34%

42. 다음 표는 어떤 게이트의 진리표인가?

    

     가. AND
     나. OR
     다. EOR
     라. NOR

     정답 : []
     정답률 : 73%
     <문제 해설>
1이 있을떄 0이 있는건 NOR입니다 (OR의 반대 OR은 1이 잇으면 1이 나옴
[해설작성자 : 안강전자고]

43. 레지스터(Register)를 구성하는 기본 소자는?
     가. Flip-Flop(플립플롭)
     나. Encoder(부호기)
     다. Decoder(해독기)
     라. Adder(가산기)

     정답 : []
     정답률 : 81%

44. 그림은 반가산기 회로이다. 자리올림 단자는?

    

     가. A
     나. B
     다. C
     라. D

     정답 : []
     정답률 : 60%

45. 다음 논리 기호 중 배타적 논리합 회로는?
     가.
     나.
     다.
     라.

     정답 : []
     정답률 : 54%

46. 다음 그림의 게이트 명칭은?

    

     가. OR
     나. AND
     다. NAND
     라. NOR

     정답 : []
     정답률 : 42%

47. 림과 같은 플립플롭의 명칭은?

    

     가. RS
     나. T
     다. D
     라. JK

     정답 : []
     정답률 : 43%

48. 전가산기를 반가산기를 이용하여 구성하려고 한다. 필요한 반가산기의 개수와 게이트의 명칭은?
     가. 반가산기 1개, NAND
     나. 반가산기 1개, NOR
     다. 반가산기 2개, OR
     라. 반가산기 2개, AND

     정답 : []
     정답률 : 60%

49. JK 마스터슬레이브 플립플롭에서 J=K=1인 상태에서 클럭 펄스가 "1"일 때 출력상태가 변화되면 입력측에 변화를 일으켜 오동작이 발생되는 현상은?
     가. 채터링 현상
     나. 레이스 현상
     다. 오버플로어 현상
     라. 토글 현상

     정답 : []
     정답률 : 20%

50. 다음 중 드모르간(De Morgan) 정리로 옳은 것은?
     가.
     나.
     다.
     라.

     정답 : []
     정답률 : 68%

51. 컴퓨터 키보드와 같이 입력 단자에 나타난 정보를 코드화 하여 출력으로 내보내는 것은?
     가. 해독기(Decoder)
     나. 부호기(Encoder)
     다. 멀티플렉서(Multiplexer)
     라. 디멀티플렉서(Demultiplexer)

     정답 : []
     정답률 : 42%

52. 10진수 3을 Gray Code 4bit로 올바르게 바꾼 것은?
     가. 0001
     나. 0010
     다. 0011
     라. 0100

     정답 : []
     정답률 : 48%

53. 다음 식이 성립할 때 A, B는?

    

     가. A=1, B=1
     나. A=0, B=0
     다. A=0, B=1
     라. A=1, B=0

     정답 : []
     정답률 : 62%
     <문제 해설>
식의 답이 1이기에, 식 중에 0이 있으면 안됩니다.
A는 보수가 아니기에 1, B의 보수가 1이 되어야하기에 B는 0이 되어야 함.
[해설작성자 : 구ㅈ공1학년]

54. JK-FF에서 J입력과 K입력이 모두 1일 때 출력은 CLOCK에 의해 어떻게 되는가?
     가. 반전된다.
     나. 출력은 0이다.
     다. 기억을 유지한다.
     라. 출력은 1이다.

     정답 : []
     정답률 : 79%

55. 가장 간단한 레지스터 회로는 외부 게이트가 전혀 없이 어떤 회로로 구성되어 지는가?
     가. 플립플롭
     나. AND 게이트
     다. X-OR 게이트
     라. 자기코어

     정답 : []
     정답률 : 65%

56. 2진화 10진수로 표시된 (10000101) BCD 을 10진수로 나타낸 것은?
     가. 85(10)
     나. 83(10)
     다. 58(10)
     라. 53(10)

     정답 : []
     정답률 : 66%

57. 패리티 비트(parity bit)에 대한 설명으로 가장 올바른 것은?
     가. 에러를 검색만 할 수 있다.
     나. 에러를 교정만 할 수 있다.
     다. 에러의 검색과 교정까지 가능하다.
     라. 에러 발생을 예방하는 기능이 있다.

     정답 : []
     정답률 : 45%

58. 불 대수식 중 성립하지 않는 것은?
     가. A + A = A
     나. A + 1 = 1
     다. A + A' = 1
     라. A ㆍ A = 1

     정답 : []
     정답률 : 64%

59. 2 × 4 디코더에 사용되는 AND 게이트의 최소 개수는?
     가. 1개
     나. 2개
     다. 3개
     라. 4개

     정답 : []
     정답률 : 34%

60. 16진 상향 계수기를 설계하기 위하여 최소로 필요한 JK 플립플롭의 개수는?
     가. 1개
     나. 2개
     다. 3개
     라. 4개

     정답 : []
     정답률 : 77%


정 답 지

1

2

3

4

5

6

7

8

9

10

11

12

13

14

15

16

17

18

19

20

21

22

23

24

25

26

27

28

29

30

31

32

33

34

35

36

37

38

39

40

41

42

43

44

45

46

47

48

49

50

51

52

53

54

55

56

57

58

59

60

전자계산기기능사 필기 기출문제(해설) 및 CBT 2004년04월04일(2회)을 이용해 주셔서 감사합니다.
전자계산기기능사, 기출문제, 기능사, 필기, 기출문제, 전자문제집, CBT, 온라인, 모의테스트, 모의고사



List of Articles
번호 제목 글쓴이 날짜 조회 수
12777 전자계산기기능사 필기 기출문제(해설) 및 CBT 2013년10월12일(5회)(5657) 좋은아빠되기 2025.11.25 0
12776 전자계산기기능사 필기 기출문제(해설) 및 CBT 2013년04월14일(2회)(5656) 좋은아빠되기 2025.11.25 1
12775 전자계산기기능사 필기 기출문제(해설) 및 CBT 2013년01월27일(1회)(5655) 좋은아빠되기 2025.11.25 0
12774 전자계산기기능사 필기 기출문제(해설) 및 CBT 2012년10월20일(5회)(5654) 좋은아빠되기 2025.11.25 0
12773 전자계산기기능사 필기 기출문제(해설) 및 CBT 2012년04월08일(2회)(5653) 좋은아빠되기 2025.11.25 0
12772 전자계산기기능사 필기 기출문제(해설) 및 CBT 2012년02월12일(1회)(5652) 좋은아빠되기 2025.11.25 0
12771 전자계산기기능사 필기 기출문제(해설) 및 CBT 2011년02월13일(1회)(5651) 좋은아빠되기 2025.11.25 0
12770 전자계산기기능사 필기 기출문제(해설) 및 CBT 2010년03월28일(2회)(5650) 좋은아빠되기 2025.11.25 0
12769 전자계산기기능사 필기 기출문제(해설) 및 CBT 2010년01월31일(1회)(5649) 좋은아빠되기 2025.11.25 0
12768 전자계산기기능사 필기 기출문제(해설) 및 CBT 2009년03월29일(2회)(5648) 좋은아빠되기 2025.11.25 1
12767 전자계산기기능사 필기 기출문제(해설) 및 CBT 2009년01월18일(1회)(5647) 좋은아빠되기 2025.11.25 0
12766 전자계산기기능사 필기 기출문제(해설) 및 CBT 2008년10월05일(5회)(5646) 좋은아빠되기 2025.11.25 0
12765 전자계산기기능사 필기 기출문제(해설) 및 CBT 2008년02월03일(1회)(5645) 좋은아빠되기 2025.11.25 0
12764 전자계산기기능사 필기 기출문제(해설) 및 CBT 2007년01월28일(1회)(5644) 좋은아빠되기 2025.11.25 0
12763 전자계산기기능사 필기 기출문제(해설) 및 CBT 2006년10월01일(5회)(5643) 좋은아빠되기 2025.11.25 0
12762 전자계산기기능사 필기 기출문제(해설) 및 CBT 2005년04월03일(2회)(5642) 좋은아빠되기 2025.11.25 0
12761 전자계산기기능사 필기 기출문제(해설) 및 CBT 2005년01월30일(1회)(5641) 좋은아빠되기 2025.11.25 0
12760 전자계산기기능사 필기 기출문제(해설) 및 CBT 2004년10월10일(5회)(5640) 좋은아빠되기 2025.11.25 0
» 전자계산기기능사 필기 기출문제(해설) 및 CBT 2004년04월04일(2회)(5639) 좋은아빠되기 2025.11.25 1
12758 전자계산기기능사 필기 기출문제(해설) 및 CBT 2004년02월01일(1회)(5638) 좋은아빠되기 2025.11.25 0
Board Pagination Prev 1 ... 331 332 333 334 335 336 337 338 339 340 ... 974 Next
/ 974